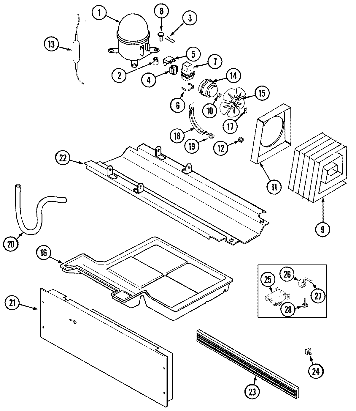
MTF2455ERQ 01 – COMPRESSORadmin2025-04-26T12:11:43+00:00MTF2455ERQ 01 – COMPRESSOR ProductsPositionProduct1MAY 610020121MAY 120013741MAY 120018142WP4387558 Whirlpool Refrigerator Compressor Grommet2MAY 17245-43MAY 610030994MAY 610052504WP10097204 Whirlpool Start Relay5MAY 610020375WP2183456 Whirlpool Refrigerator Overload6MAY 65886-17MAY 66589-17WP61002138 Whirlpool Refrigerator Terminal Cover8MAY 52656-29MAY 6100281110MAY 6100168611MAY 6100194112MAY 6100203313WPW10143759 Whirlpool Dryer Filter14MAY 65275-3314MAY 6100101615MAY 60683-116WP489478 Whirlpool Refrigerator Screw16MAY 6100264917WP486692 Whirlpool Refrigerator Nut18MAY 69181-119GROMMET, BRACKET20MAY 6100221421MAY 6100506121MAY 65275-121MAY 65275-522MAY 6100526822WP67006715 Whirlpool Refrigerator Screw22MAY 6100337123MAY 6100490124MAY 6100197525MAY 6100521625MAY 6100197825SCREW26WP61003826 Whirlpool Wheel27WP61002104 Whirlpool Refrigerator Pin Wheel28MAY 6100201429MAY 6100471130MAY 16008248