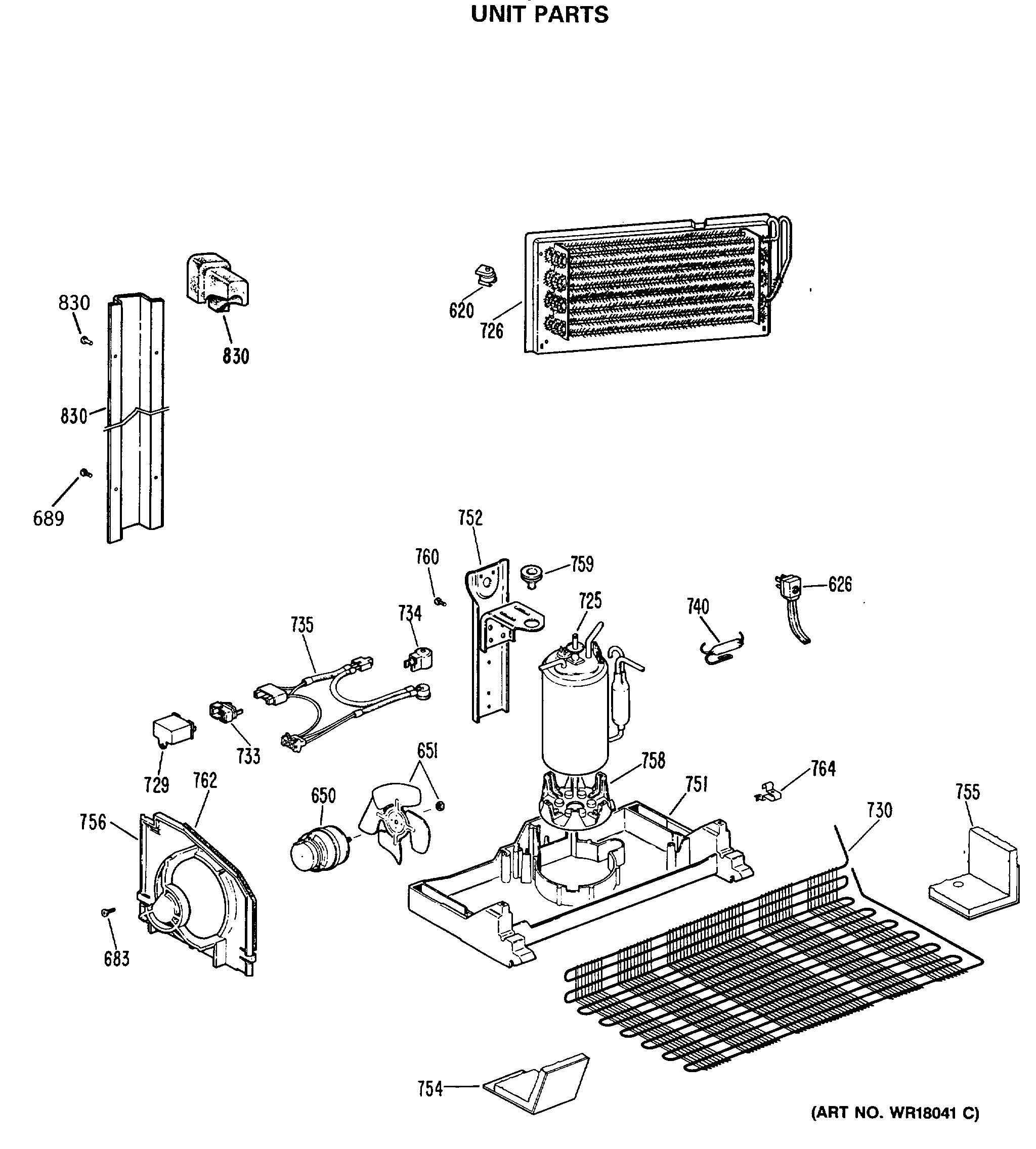
| 620 | WR50X129 GE Refrigerator Defrost Thermostat 50 Deg. |
| 626 | WR23X10300 GE Refrigerator Power Cord Assembly |
| 626 | WR1X5278 GE Refrigerator Cable Clamp |
| 650 | WR60X187 GE Refrigerator Condenser Fan Motor |
| 651 | GEN WR01X1715 |
| 651 | GEN WR60X0212 |
| 651 | WASHER COND MTR |
| 683 | SCR 8-32 TT PT 3/8 |
| 689 | WZ5X246 GE Screw |
| 725 | WR87X10079 GE Refrigerator Freezer COMPRESSOR Kit R12 |
| 726 | GEN WR85X0284 |
| 729 | WR62X51 GE Refrigerator Capacitor |
| 730 | CONDENSER ASM |
| 733 | GEN WR07X0203 |
| 734 | GEN WR02X7396 |
| 735 | GEN WR08X0126 |
| 740 | WR86X25269 GE Refrigerator R134 Dryer |
| 751 | GEN WR17X2088 |
| 754 | GEN WR17X2523 |
| 755 | GEN WR17X2268 |
| 756 | GEN WR17X3005 |
| 758 | GEN WR17X2091 |
| 762 | GEN WR14X0313 |
| 764 | GEN WR02X7667 |
| 830 | GEN WR17X3056 |
| 830 | GEN WR82X0318 |
| 830 | GEN WR01X1841 |