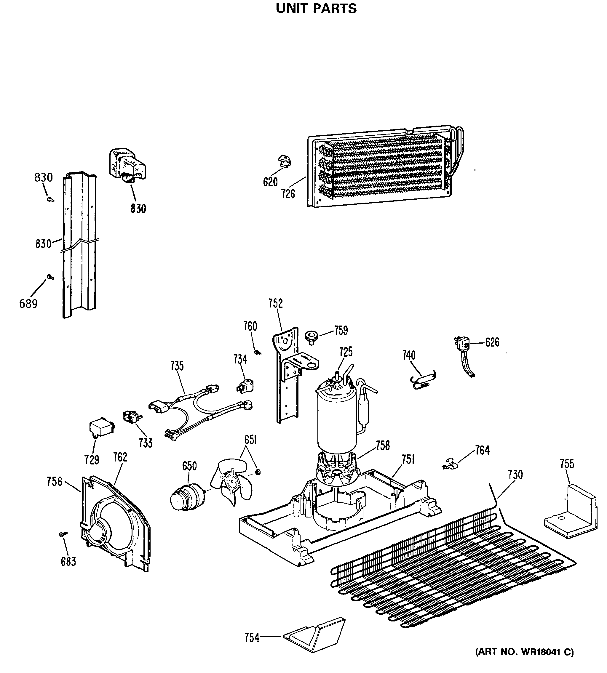
MTX18EASFRAD UNIT PARTS