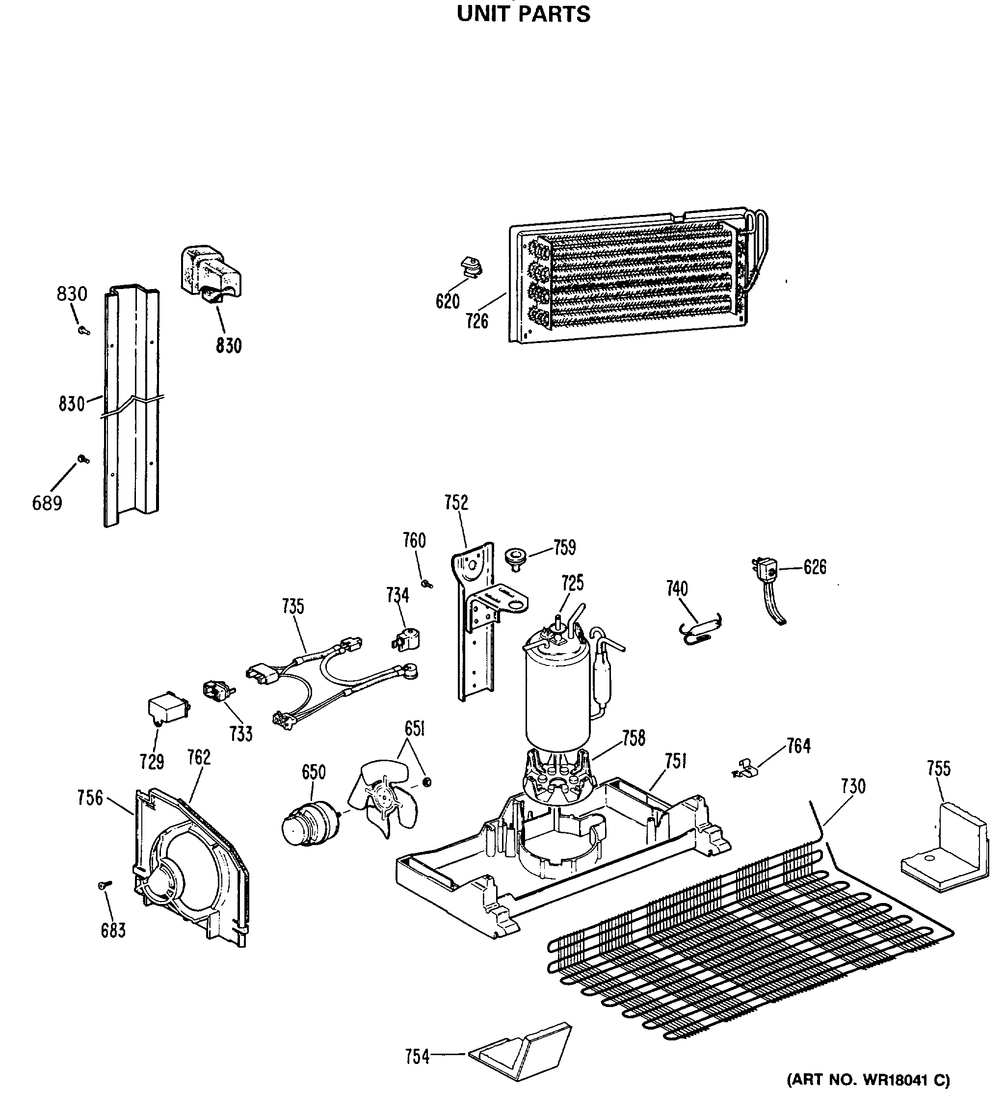
MTX18EASFRWH UNIT PARTS