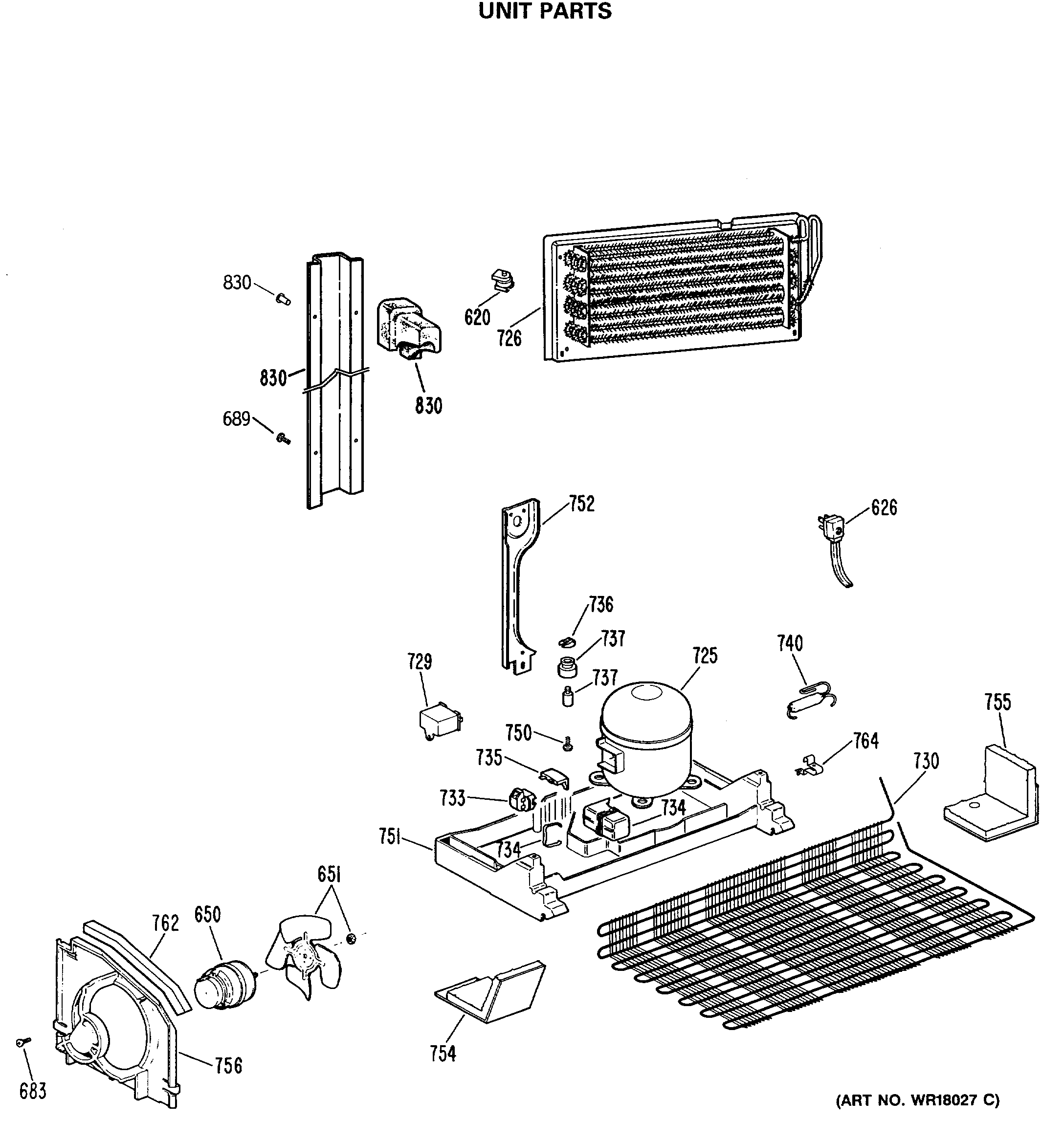
MTX21EASNRAD UNIT PARTS