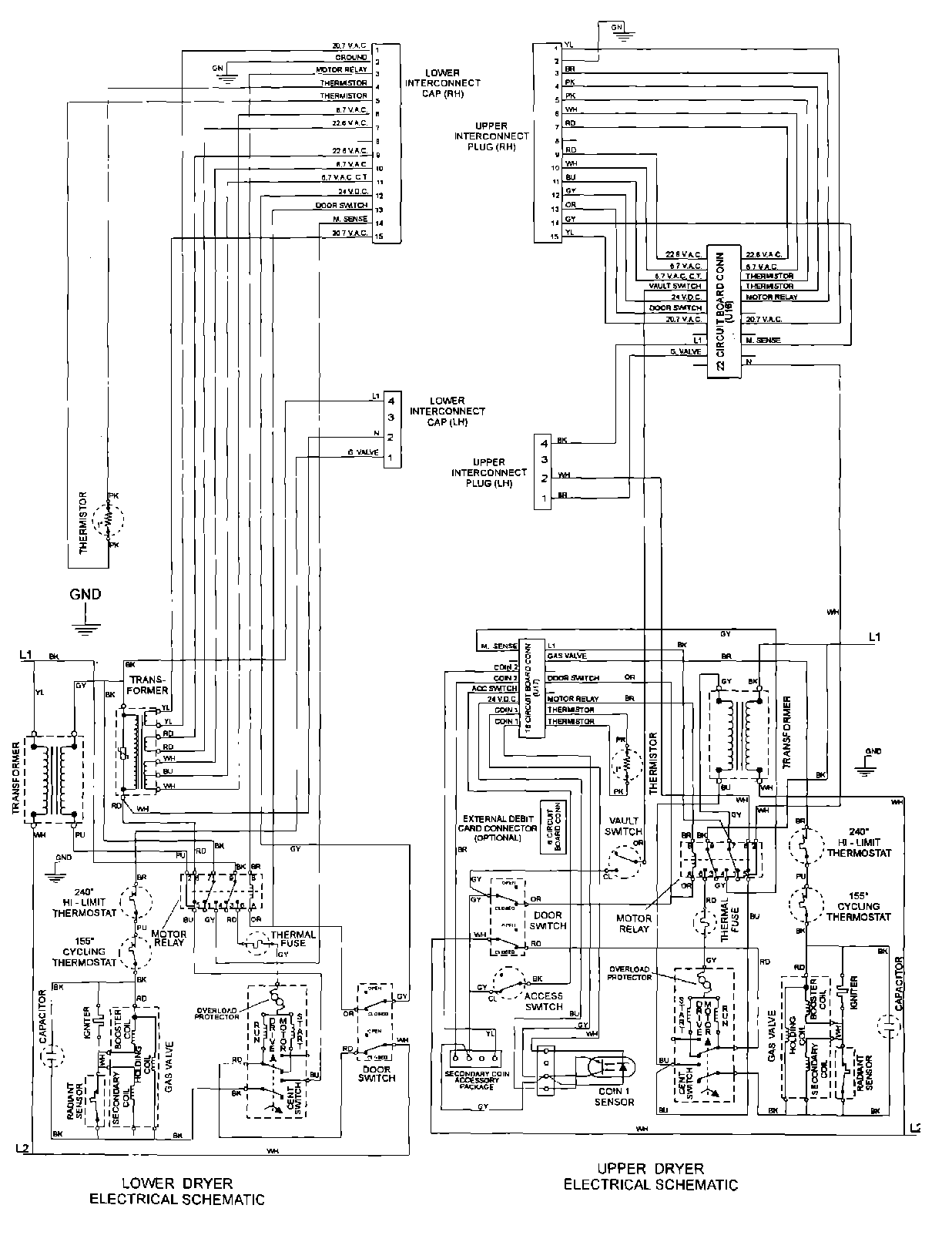
MUE15PDAUW 09 – WIRING INFORMATIONadmin2025-04-26T11:34:48+00:00MUE15PDAUW 09 – WIRING INFORMATION ProductsPositionProduct001DOWEL PIN FOR HANDLE