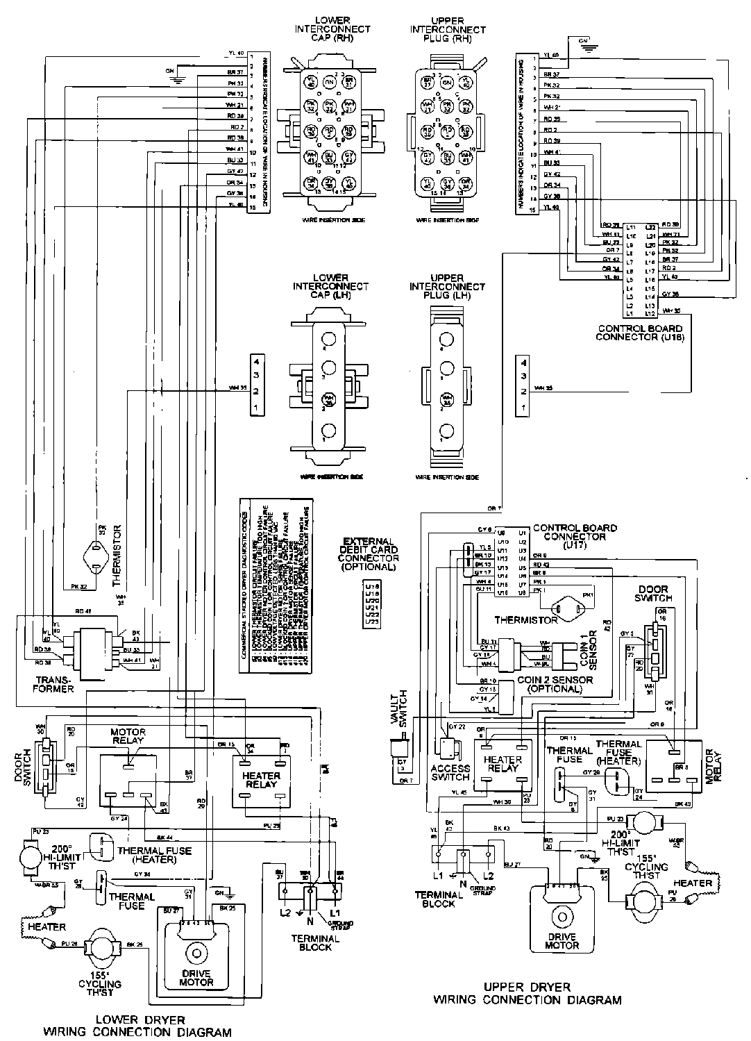
MUE15PDAYA 10 – WIRING INFORMATIONadmin2025-04-26T13:08:12+00:00MUE15PDAYA 10 – WIRING INFORMATION ProductsPositionProduct001DOWEL PIN FOR HANDLE