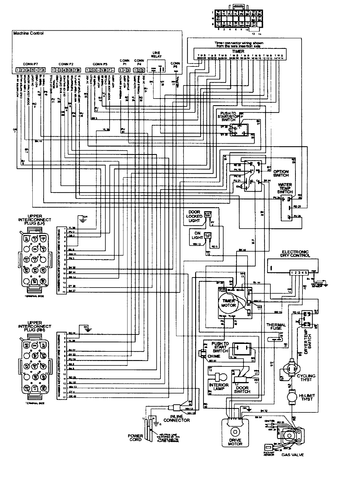
MUE2000AYW 18 – WIRING INFORMATIONadmin2025-04-26T11:32:10+00:00MUE2000AYW 18 – WIRING INFORMATION ProductsPositionProductNIMAY 15002477