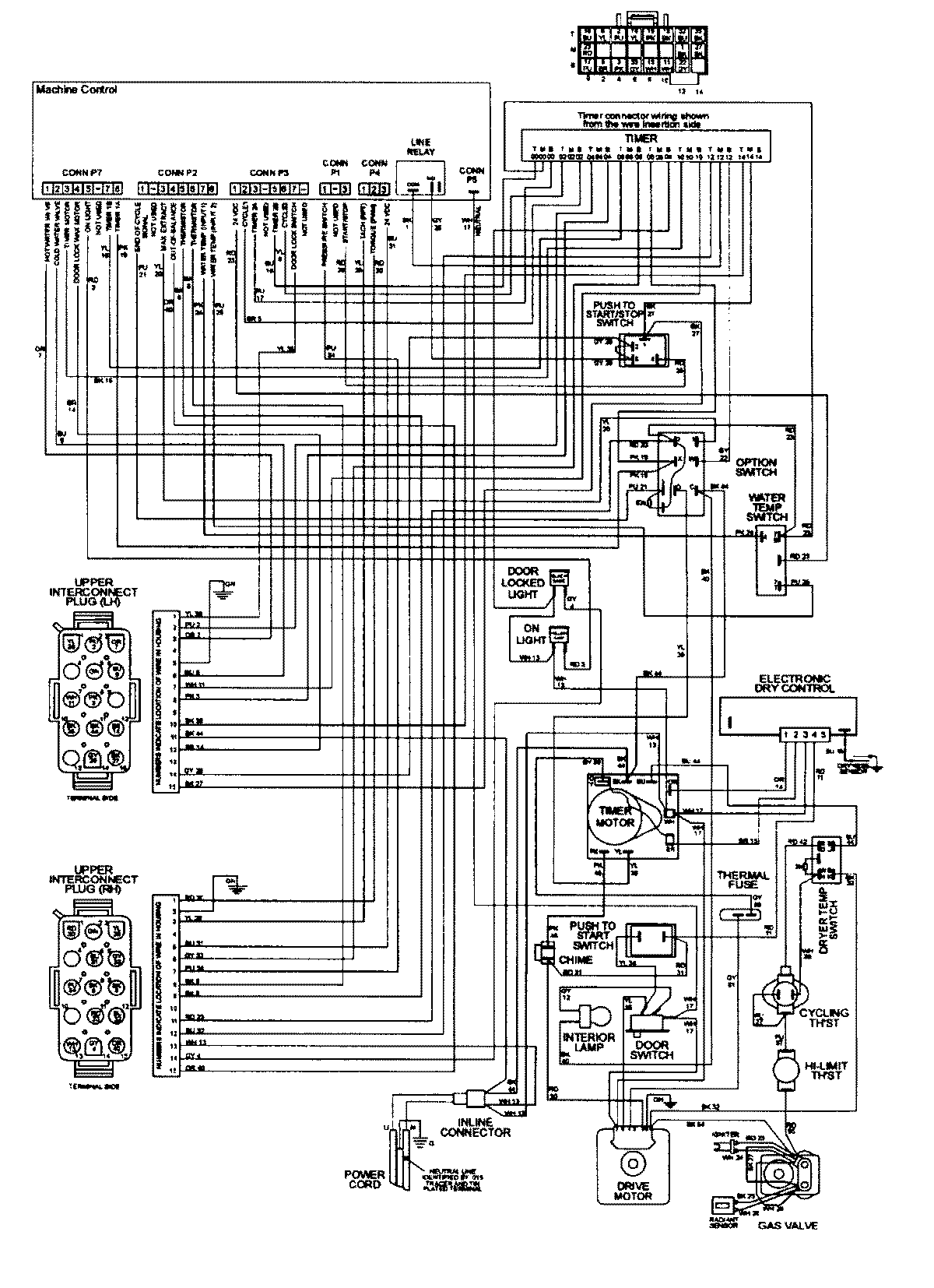
MUE2000AZW 18 – WIRING INFORMATION

MUE2000AZW 18 – WIRING INFORMATION

Products

PositionProduct
NIMAY 15002477