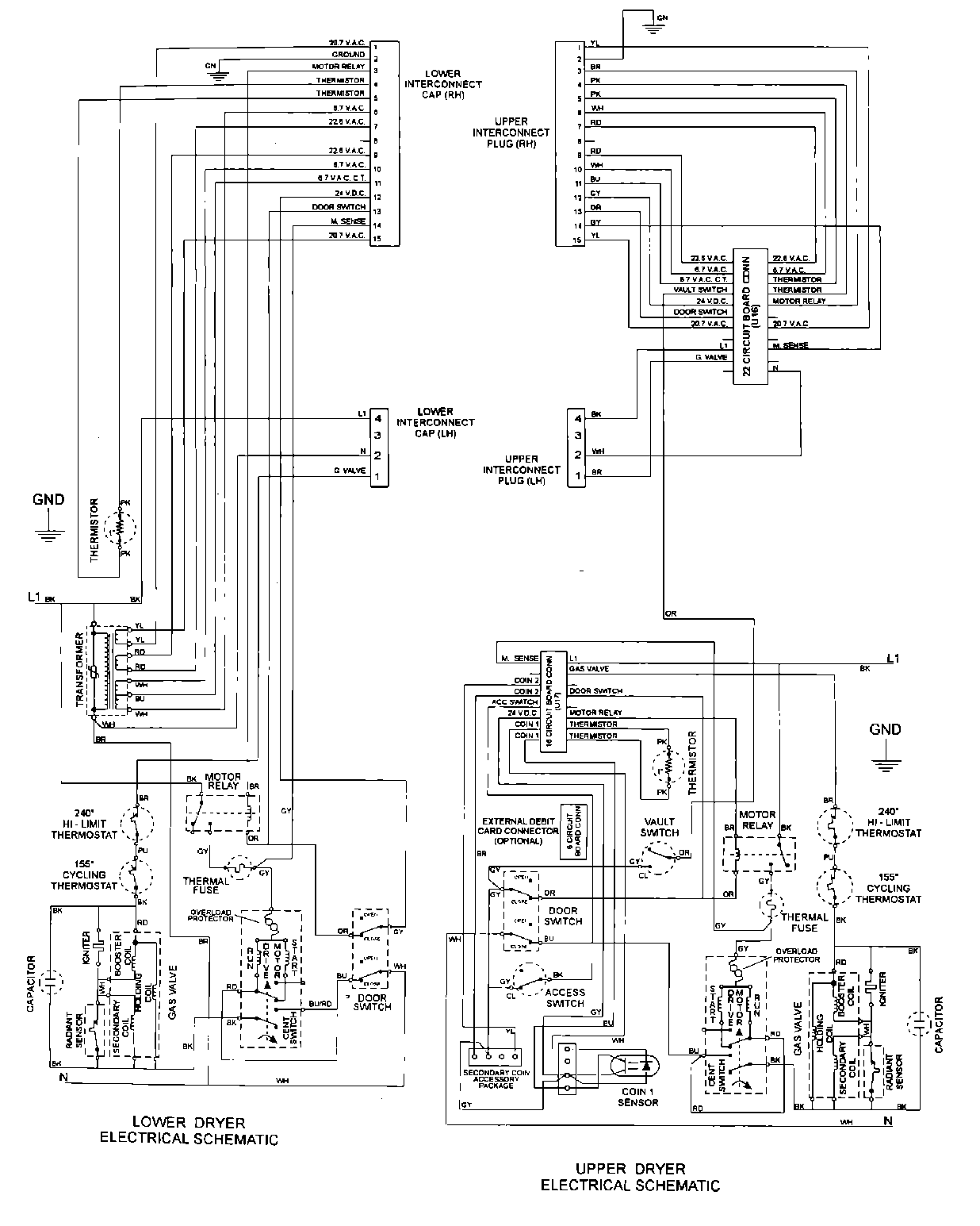
MUG15PDAWA 09 – WIRING INFORMATIONadmin2025-04-26T11:33:02+00:00MUG15PDAWA 09 – WIRING INFORMATION ProductsPositionProduct001DOWEL PIN FOR HANDLE