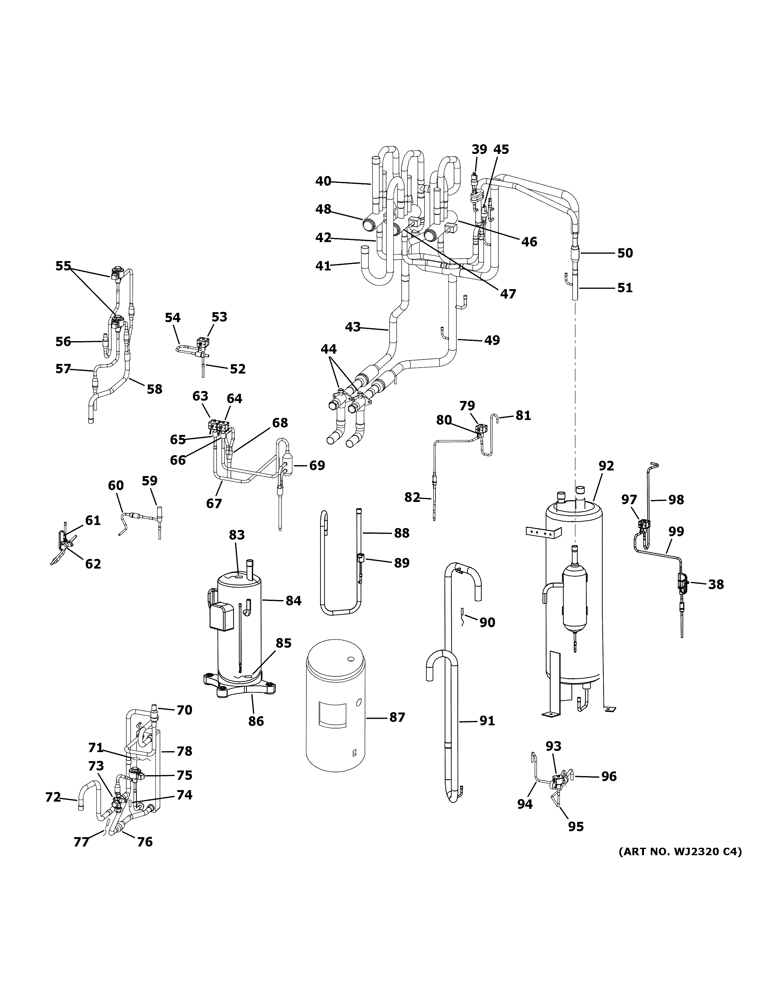
MVHR120ME2CA1 SEALED SYSTEM

MVHR120ME2CA1 SEALED SYSTEM

Products

PositionProduct
38WP53X27003 GE SV181 Accumulator Connection Valve
39WJ26X22645 GE High Pressure Sensor
40WP53X27083 GE Reversing Valve Tube
41REVERSING VALVE TUBE C
42WP53X27081 GE Reversing Valve Tube
43REVERSING VALVE TUBE E
44STOP VALVE
45WJ26X22652 GE Low Pressure Sensor
46REVERSING VALVE
47REVERSING VALVE
48REVERSING VALVE
49WP53X27092 GE Reversing Valve Tube
50WP26X26977 GE Check Valve
51CHECK VALVE CONNECTION TUBE
52WP26X26967 GE Solenoid Coil SV1
53SV1 SOLENOID VALVE BODY
54SV1 CONNECTION TUBE
55WP26X27075 GE Electronic Expansion Valve
56EEV CONNECTION TUBE
57WP53X27084 GE Dishwasher Upper Liquid Header Connection
58WP53X27085 GE Lower Liquid Header Connection
59UNLOADING VALVE
60WP53X27080 GE Unloading Valve Tub Connection
61WP53X27076 GE Gas Injection Tube
62WJ27X22626 GE Charging Port
64SV7 SOLENOID COIL
66WP26X26958 GE Solenoid Valve Body
67WP53X27087 GE Sv3 To Reversing Valve Connect
68SV3 TO HEAT EXCHANGER CONNECTION TUBE
69SV7 CONNECTION TUBE
70HEAT EXCHANGER TO SV3 CONNECTION TUBE
72WP53X27077 GE Heat Exchanger to Supercooled
73STOP VALVE
74TSCI SENSOR
75WJ53X22639 GE Electronic Expansion Valve
76WP53X27086 GE Connection Tube
77TSCO SENSOR
78WP87X26759 GE Heat Exchanger Assembly
79SV9 SOLENOID COIL
81WP53X26994 GE Compressor Connection T
82WP53X26995 GE SV9 Reversing Valve Connection
83WP26X26971 GE Temperature Sensor
84COMPRESSOR
85WP26X26974 GE Toilet Sensor
86WP27X26752 GE Compressor Heater
87WP43X26961 GE Compressor Insulation
88WP53X26051 GE Discharge Tube
89GEN WP26X26962
90WP26X26753 GE Temperature Sensor
91WP53X26049 GE Suction Tube
92WP53X26039 GE Accumulator
93SOLENOID COIL
94GEN WP53X27365
95GEN WP26X26993
96WP53X27029 GE Sv14 Accumulator Tube
97GEN WP26X26953
98WP53X27004 GE Suction Connection Tube for SV181
99WP26X26957 GE Valve Body Solenoid