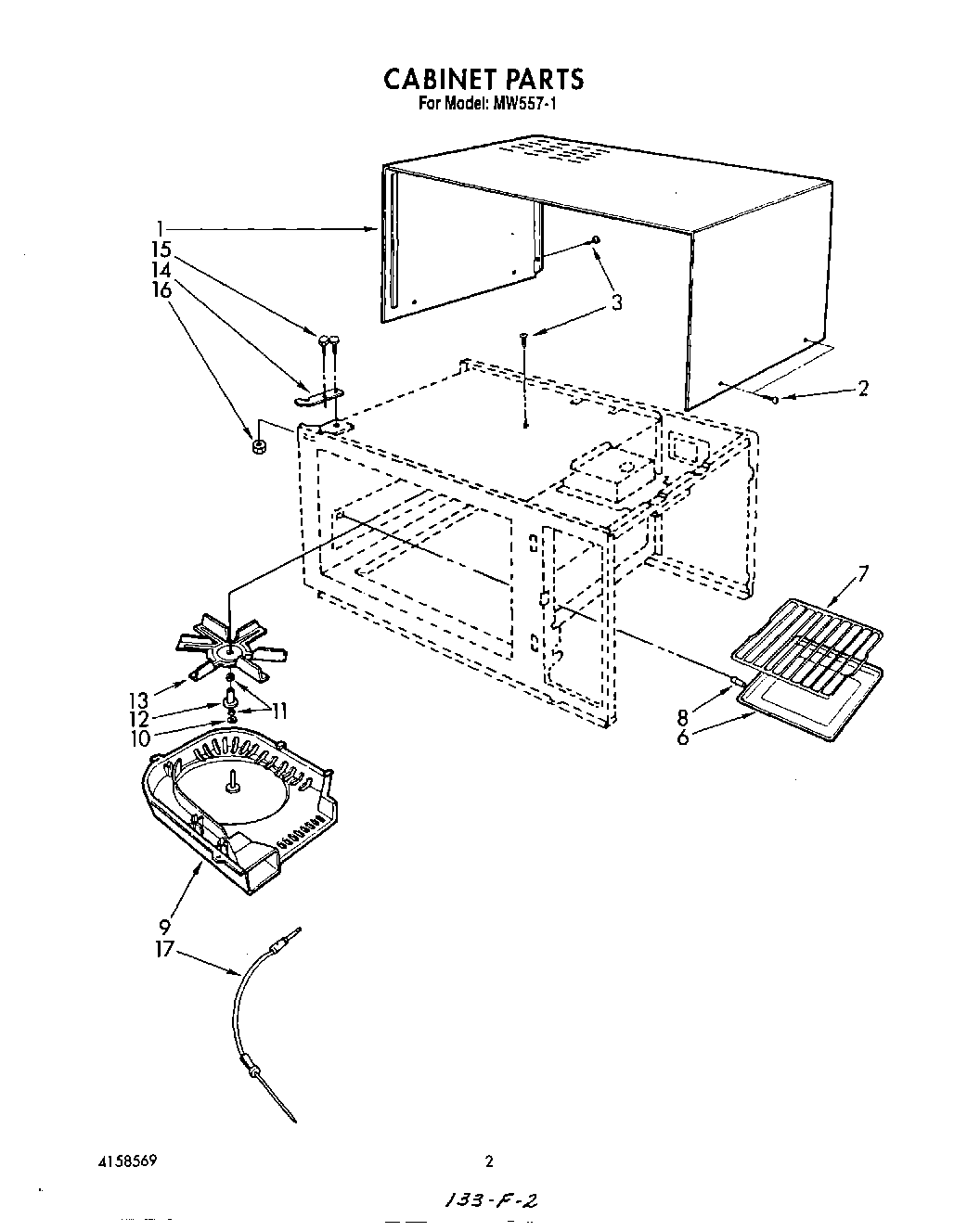
MW5571 02 – CABINETadmin2025-04-26T08:44:06+00:00MW5571 02 – CABINET ProductsPositionProduct1Cabinet Wrapper2Screw3Screw6Glass Tray7Shelf, Metal8Support, Rack (4)9Stirrer Cover10Washer, Sliding11Bushing, Shaft (2)12Bushing, Stirrer Fan13Stirrer Blade14Hinge, Upper15Screw (2)16Nut (2)17Repair Parts List17Installation Instructions17Cook Book17Probe