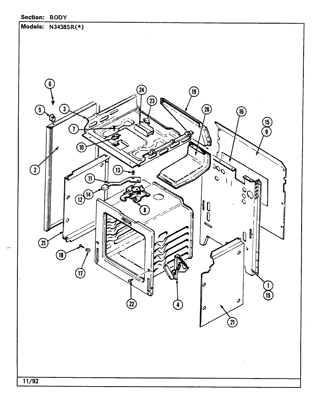
N3438SRW 01 – BODYadmin2025-04-26T11:31:17+00:00N3438SRW 01 – BODY ProductsPositionProduct1MAY 4002F179-802MAY 2618F085-713MAY 4011F210-804MAY 7106P032-605SPACER, MAIN TOP (RT)5SPACER, MAIN TOP (LT)6MAY 7118P013-607MAY 7101P031-608MAY 4804F028-608MAY 8002P024-609MAY 4005F331-5110MAY 3801F267-4510MAY 7403P228-6011MAY 8009P015-6011MAY 7109P015-6012MAY 7112P003-6013SCREW, LEVER14MAY 7701P088-6015MAY 7101P290-6016MAY 3604F165-5117MAY 8004P024-6018MAY 7101P300-6019MAY 7101P277-6019MAY 7109P028-6019MAY 4022W005-1920MAY 4006W113-4521MAY 3804F103-5122SCREW, HINGE23MAY 7403P275-6024MAY 3807F420-5124MAY 7101P076-60