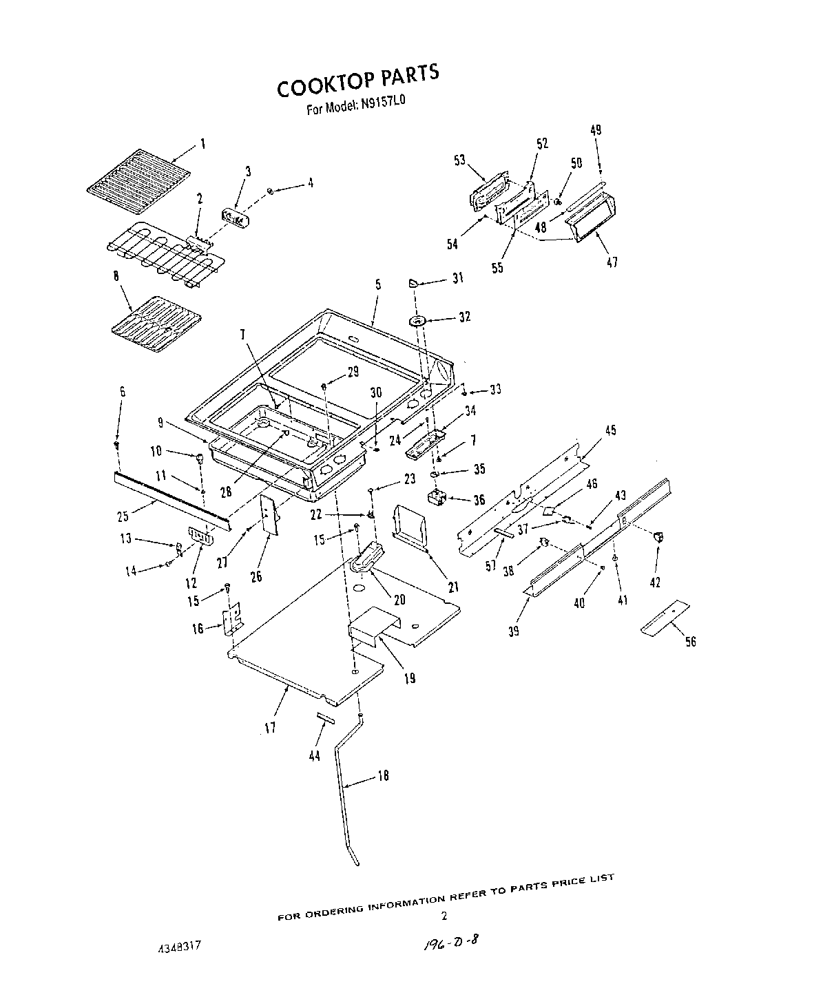
| 1 | Grate-Grill |
| 2 | Element, Grill (208 Volt (Opt.)) |
| 2 | Element, Grill (240 Volt) |
| 3 | Block, Terminal |
| 4 | Nut, Speed |
| 5 | Cooktop (Chrome) |
| 5 | Cooktop (Almond) |
| 6 | Screw No.6-32x3/16`` |
| 7 | Screw |
| 8 | Reflector Grid |
| 9 | Grease Well (Right) |
| 9 | Grease Well (Left) |
| 10 | Terminal |
| 11 | Screw |
| 12 | Block, Terminal |
| 13 | Clamp, Terminal Block |
| 14 | Screw, No.8-32 x 3/8 |
| 15 | SCREW |
| 16 | Rear Filler (Right) |
| 16 | Rear Filler (Left) |
| 17 | Retainer, Insul. |
| 18 | Tube, Grease |
| 19 | Cover, Latch |
| 20 | Flue Duct |
| 21 | Extension, Vent |
| 22 | Limit Switch |
| 23 | Screw 6-32x5/16 |
| 24 | Screw No.8-32x1/4`` (6 Req) |
| 25 | Filler, Side (Left) |
| 25 | Filler, Side (Right) |
| 26 | End Cap (Right) |
| 26 | End Cap (Left) |
| 27 | Screw No.10-32x1/2 |
| 28 | Screw No.6-20x3/8 |
| 29 | Fitting, Tube |
| 30 | WPL 4337543 |
| 31 | Knob, Infinite |
| 32 | Bezel, Knob (Left Rear) |
| 32 | Bezel, Knob (Right Front) |
| 32 | Bezel, Knob (Left Front) |
| 32 | Bezel, Knob (Right Rear) |
| 33 | Nut, Speed |
| 34 | Plate, Mounting |
| 35 | Seal, Control |
| 36 | W10900107 Whirlpool Oven Surface Element Switch |
| 37 | Switch, Micro |
| 38 | Light, Indicator |
| 39 | Control Panel |
| 40 | Lens, Ind. Light |
| 41 | WP308685 Whirlpool Microwave Screw |
| 42 | Switch, Light |
| 43 | Screw No.4-40x11/16 |
| 44 | WPL 4335097 |
| 45 | Back, Control |
| 46 | Insulator |
| 47 | Bezel, Clock/Oven Control |
| 48 | Plate, Clock/Oven Control |
| 49 | Screw No.6-32x3/8 |
| 50 | Knob, Clock/Oven Control |
| 52 | Lens, Clock/Oven C |
| 53 | Clock/Oven Control |
| 54 | WPL 4337582 |
| 55 | WPL 4337075 |
| 56 | Insulator |
| 57 | WPL 4337340 |