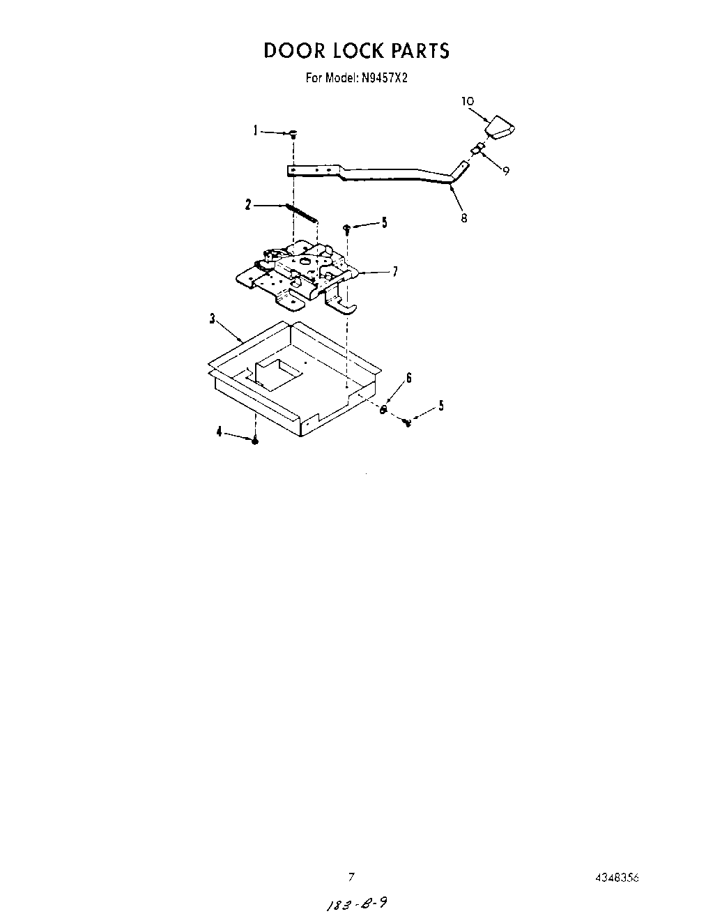
N9457^2 05 – DOOR LOCK
Products
| Position | Product |
|---|---|
| 1 | Screw, No.10-24 x 1/4 |
| 2 | Spring |
| 3 | Box, Mounting |
| 4 | Screw 6-20x3/8 |
| 5 | SCREW |
| 6 | Washer |
| 7 | Lock Assembly, (Inc`s Illus. No.2) |
| 8 | Handle, Lock |
| 9 | Clip |
| 10 | Knob, Lock |
N9457^2 05 – DOOR LOCK
| Position | Product |
|---|---|
| 1 | Screw, No.10-24 x 1/4 |
| 2 | Spring |
| 3 | Box, Mounting |
| 4 | Screw 6-20x3/8 |
| 5 | SCREW |
| 6 | Washer |
| 7 | Lock Assembly, (Inc`s Illus. No.2) |
| 8 | Handle, Lock |
| 9 | Clip |
| 10 | Knob, Lock |