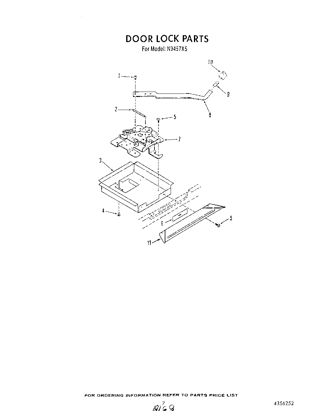
N9457^5 05 – DOOR LOCKadmin2025-04-26T12:46:08+00:00N9457^5 05 – DOOR LOCK ProductsPositionProduct1Screw, No.10-24 x 1/42Spring3Box, Mounting4Screw 6-20x3/85W10850756 Whirlpool Screw6Moisture Plate7Lock Assembly, (Inc`s Illus. No.2)8Handle, Lock9Clip10Knob, Lock11Moisture Shield