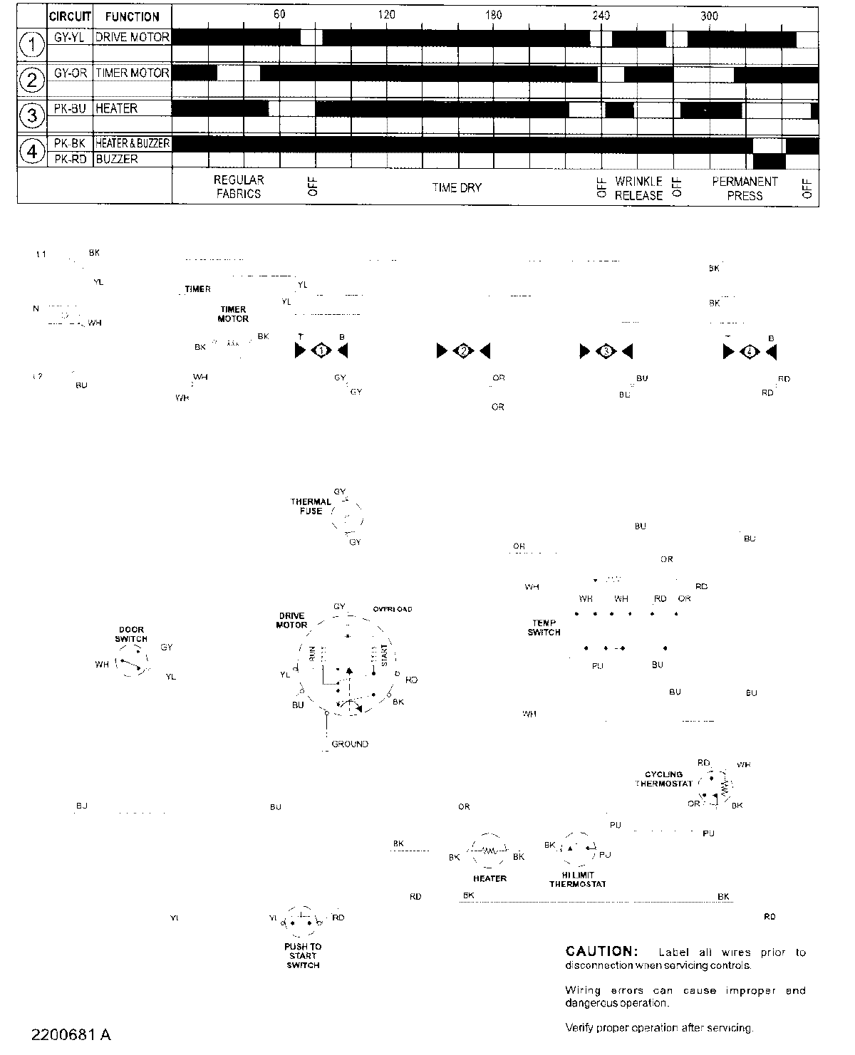
NDE2330AYW 08 – WIRING INFORMATIONadmin2025-04-26T11:38:13+00:00NDE2330AYW 08 – WIRING INFORMATION ProductsPositionProductNIMAY 15003293