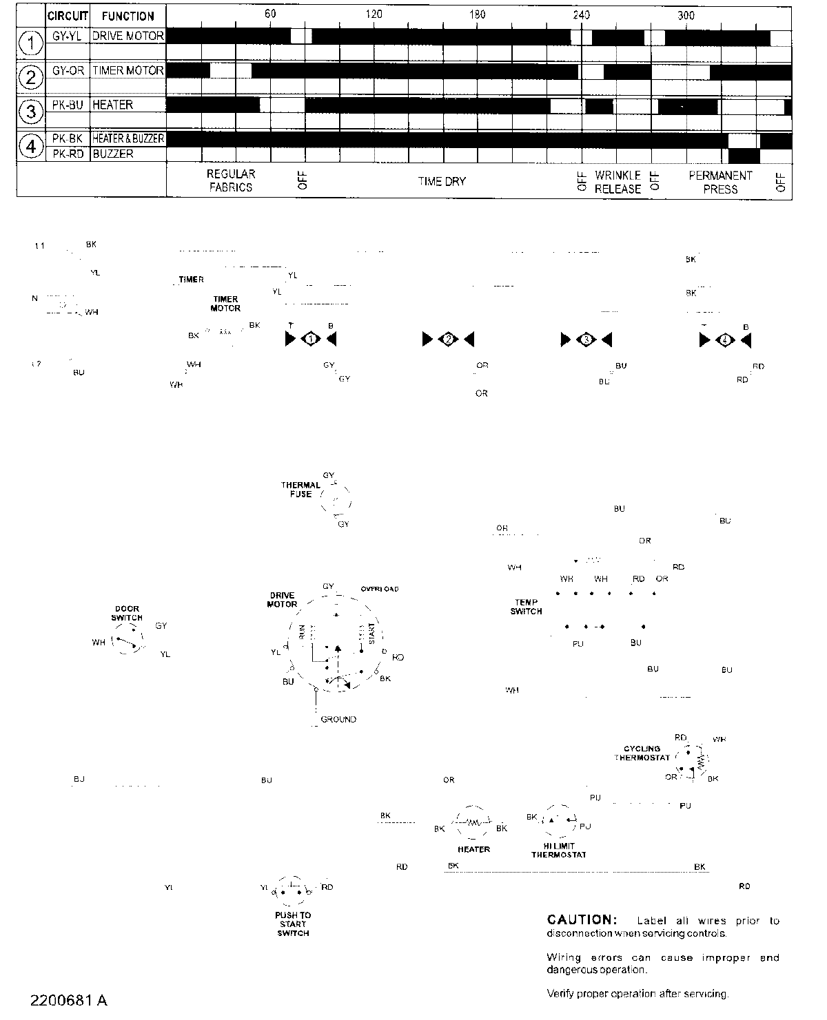
NDE2330AZW 08 – WIRING INFORMATIONadmin2025-04-26T12:40:36+00:00NDE2330AZW 08 – WIRING INFORMATION ProductsPositionProductNIMAY 15003293