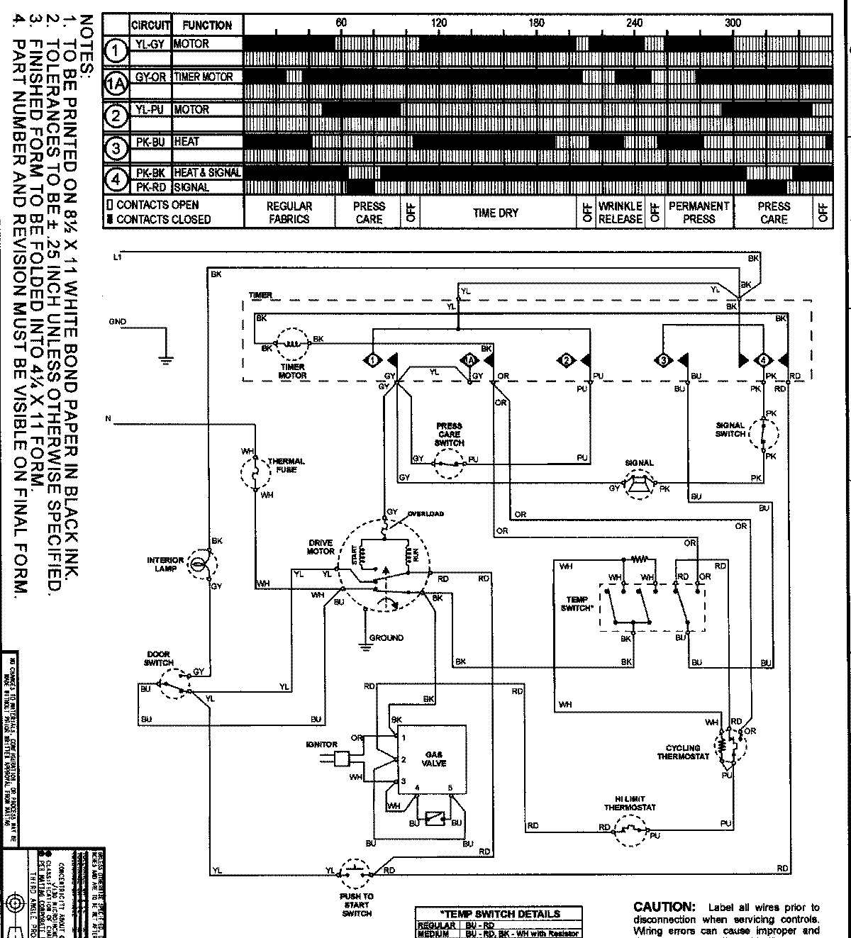
NDG5800AWW 10 – WIRING INFORMATIONadmin2025-04-26T12:40:03+00:00NDG5800AWW 10 – WIRING INFORMATION ProductsPositionProductNIMAY 15003259