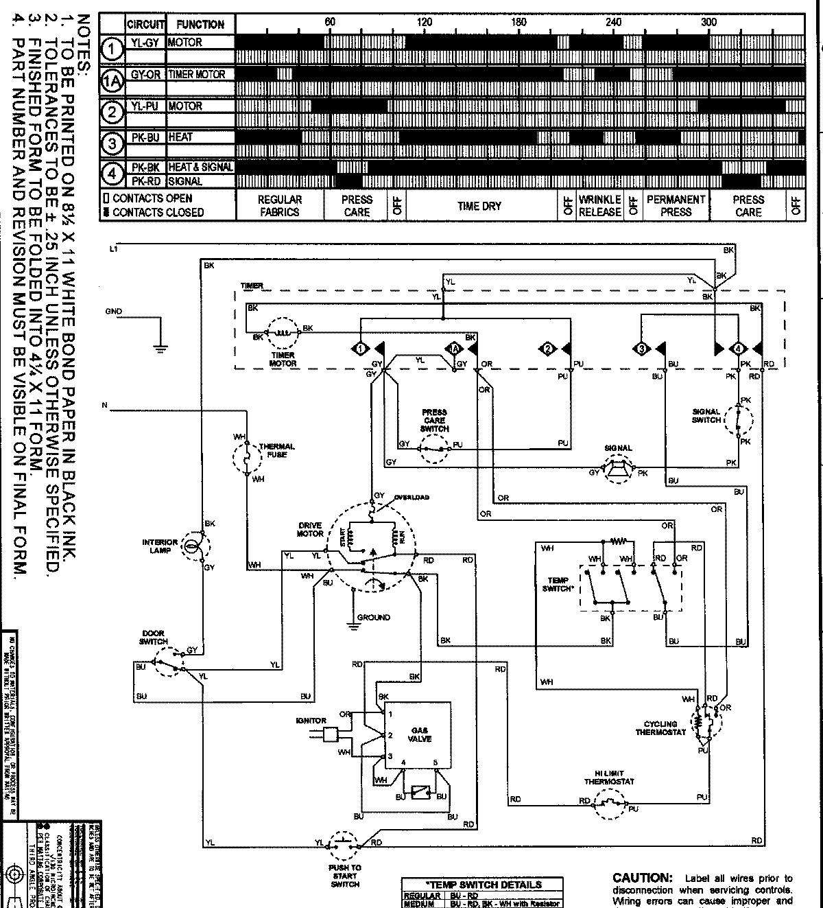
NDG7800AWW 10 – WIRING INFORMATIONadmin2025-04-26T12:40:31+00:00NDG7800AWW 10 – WIRING INFORMATION ProductsPositionProductNIMAY 15003259