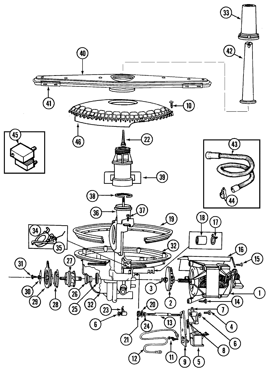
NDU2J-CAN 03 – PUMP & MOTORadmin2025-04-26T11:37:24+00:00NDU2J-CAN 03 – PUMP & MOTOR ProductsPositionProduct1MAY 9039361MAY 990010702MAY Y9129032MAY 990011453MAY Y9131733MAY Y9131745WP6-904023 Whirlpool Drain Solenoid6MAY Y9131097MAY 9130998MAY Y9132019MAY Y91320310MAY 91262212MAY 90388213MAY 91310514MAY Y91289215WP179051 Whirlpool Screw16MAY Y91293117WP285655 Whirlpool Hose Clamp18MAY 91292519MAY 91252920MAY 91310621WP913108 Whirlpool Dishwasher Seal22MAY Y91293023MAY Y91320024MAY 91311025MAY 90349426MAY 90349327MAY 90396228MAY Y91290129MAY Y91291330MAY Y91327430MAY Y91290931MAY 91327532MAY Y91290233WPY912899 Whirlpool Dishwasher Center Spray Nozzle34MAY Y91292435MAY Y91320236MAY Y91291537MAY Y91289138MAY Y91290439MAY Y91290040MAY 90402641MAY Y91289542WPY912912 Whirlpool Dishwasher Spray Tower43MAY Y91315944MAY 90113445MAY 90348245MAY 91261245MAY Y91315646MAY Y912917