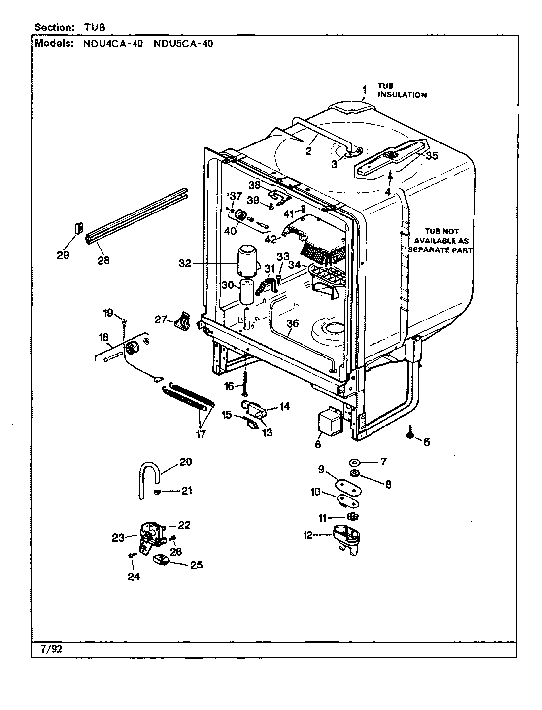
NDU4CA-40 05 – TUBadmin2025-04-26T11:37:47+00:00NDU4CA-40 05 – TUB ProductsPositionProduct1MAY 2585-00015MAY 2650-00026MAY 2275-00027MAY 3280-00098MAY 2480-00039MAY 2590-000510MAY 2145-002511MAY 2735-000912MAY 2080-000213MAY 2275-002014MAY 2145-002615MAY 3135-000516MAY 3085-000117MAY 3070-001618MAY 2955-001019MAY Y0300010820MAY 2530-000421MAY 2235-000422MAY 3255-000923MAY 2250-000224MAY 3005-004625MAY 2590-000426MAY 3005-007627MAY 2045-000527MAY 2045-000628MAY 3045-000229MAY 2355-000230MAY 2410-000231MAY 0300007832MAY 2275-000933MAY 3005-011534MAY 2205-000335MAY 0300007936MAY 2350-000237MAY 3280-000338MAY 2645-000539MAY 0300000140MAY 2955-000941MAY 3005-003442MAY 2275-0008