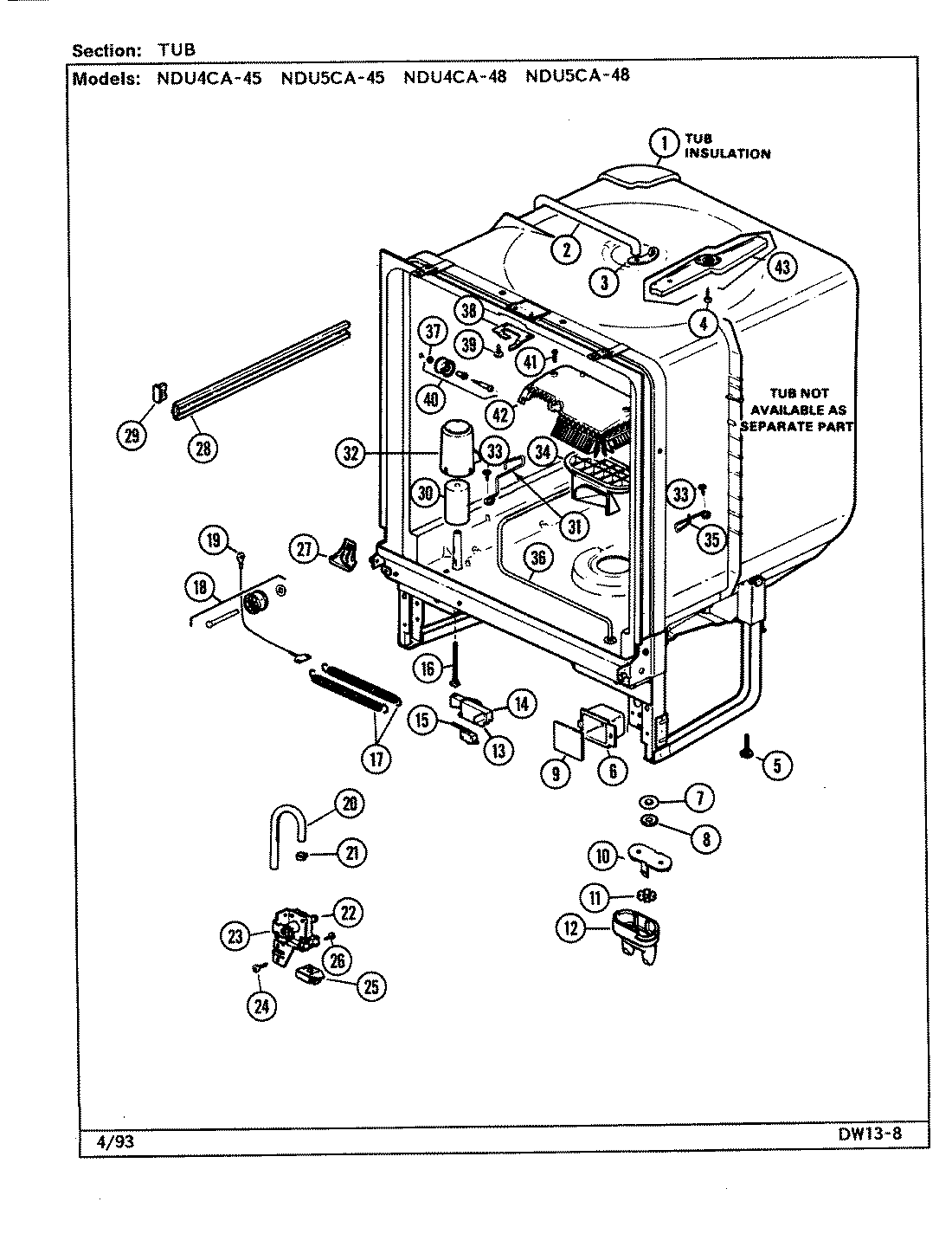
NDU5CA-48 05 – TUBadmin2025-04-26T12:41:40+00:00NDU5CA-48 05 – TUB ProductsPositionProduct1MAY 2585-00012MAY 2530-00143MAY 3120-00024MAY 3005-00305MAY 2650-00026MAY 030002147MAY 3280-00098MAY 2480-00039MAY 0300021510MAY 0300018011MAY 2735-000912MAY 0300018113MAY 2275-002014MAY 2145-002615MAY 3135-000516MAY 3085-000117MAY 3070-001617MAY 3070-000618MAY 2955-001019MAY Y0300010820MAY 2530-000421MAY 2235-000422MAY 3255-000923MAY 2250-000224MAY 3005-004625MAY 0300018626MAY 3005-007627MAY 2045-000727MAY 2045-000628MAY 3045-000229MAY 2355-000230MAY 2410-000231MAY 0300007832MAY 2275-000933MAY 3005-011534MAY Y0300021335MAY 0300007936MAY 2350-000237MAY 3280-000338MAY 2645-000539MAY 0300000140MAY 2955-000941MAY 3005-003442MAY Y0300021243MAY 2020-0003