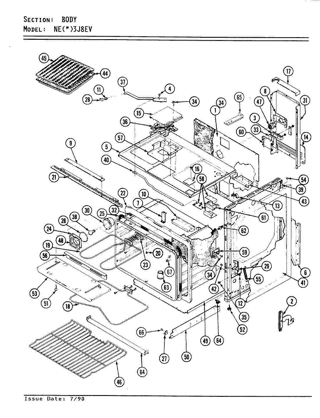
NEA3J8EV 01 – BODY