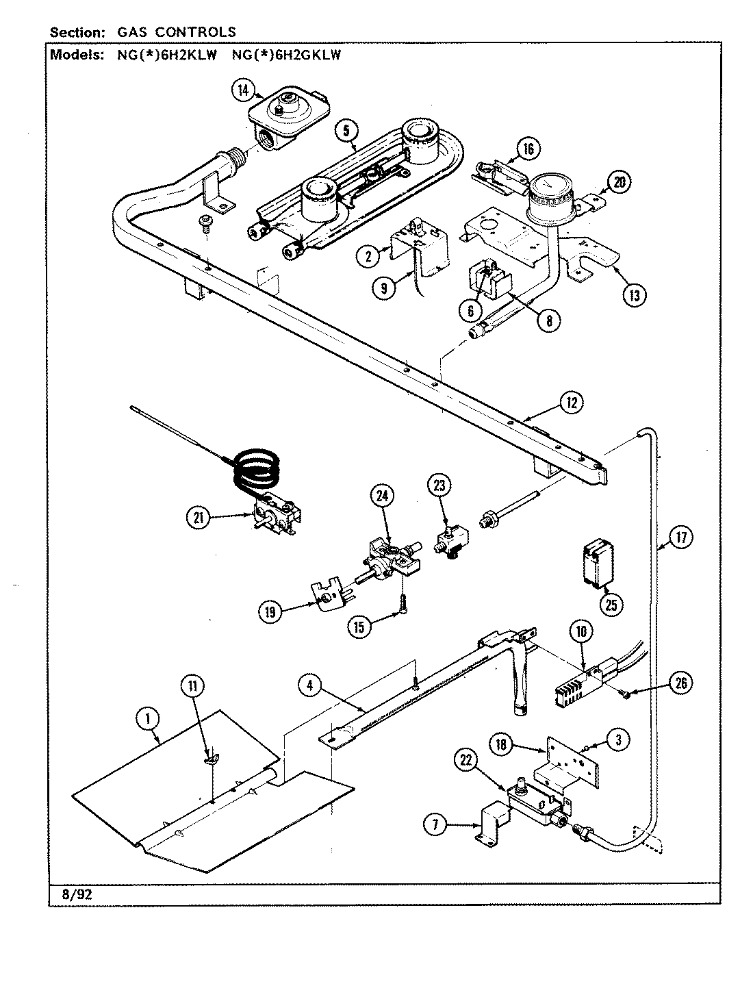
NGA6H2GKLW 04 – GAS CONTROLSadmin2025-04-26T09:04:14+00:00NGA6H2GKLW 04 – GAS CONTROLS ProductsPositionProduct1MAY 3601F101-452MAY 3807F112-343WP4159193 Whirlpool Screw4MAY 7505P065-605MAY 3412A004-237MAY 4005F173-518MAY 3807F069-349MAY 7432P015-6010MAY 7432P051-60K10MAY 7432P067-6011NUT, WING12MAY 7513P053-6012MAY 7513P138-6012MAY 7513P113-6013MAY 3807F230-3414MAY 7510P002-6015MAY 7101P296-6015MAY 7101P043-6015MAY 7101P044-6016MAY 7506P018-6017MAY 3414F051-4418MAY 3807F124-3419MAY 7403P259-6019MAY 7403P282-6019MAY 7403P285-6019MAY 7403P216-6019WP7403P190-60 Whirlpool Switch20MAY 7505P102-6021MAY 7404P062-6021MAY 7101P279-6021MAY 7515P019-6022MAY 155525122MAY 7501P106-6022MAY 7501P015-6023MAY 7502P002-6024MAY 7502P226-6024MAY 7502P234-6024MAY 7502P009-6024MAY 7502P177-6024MAY 7502P047-6024MAY 7502P185-6025MAY 7431P003-6025MAY 7431P017-6026SCREW (10-24X5/16-NI)