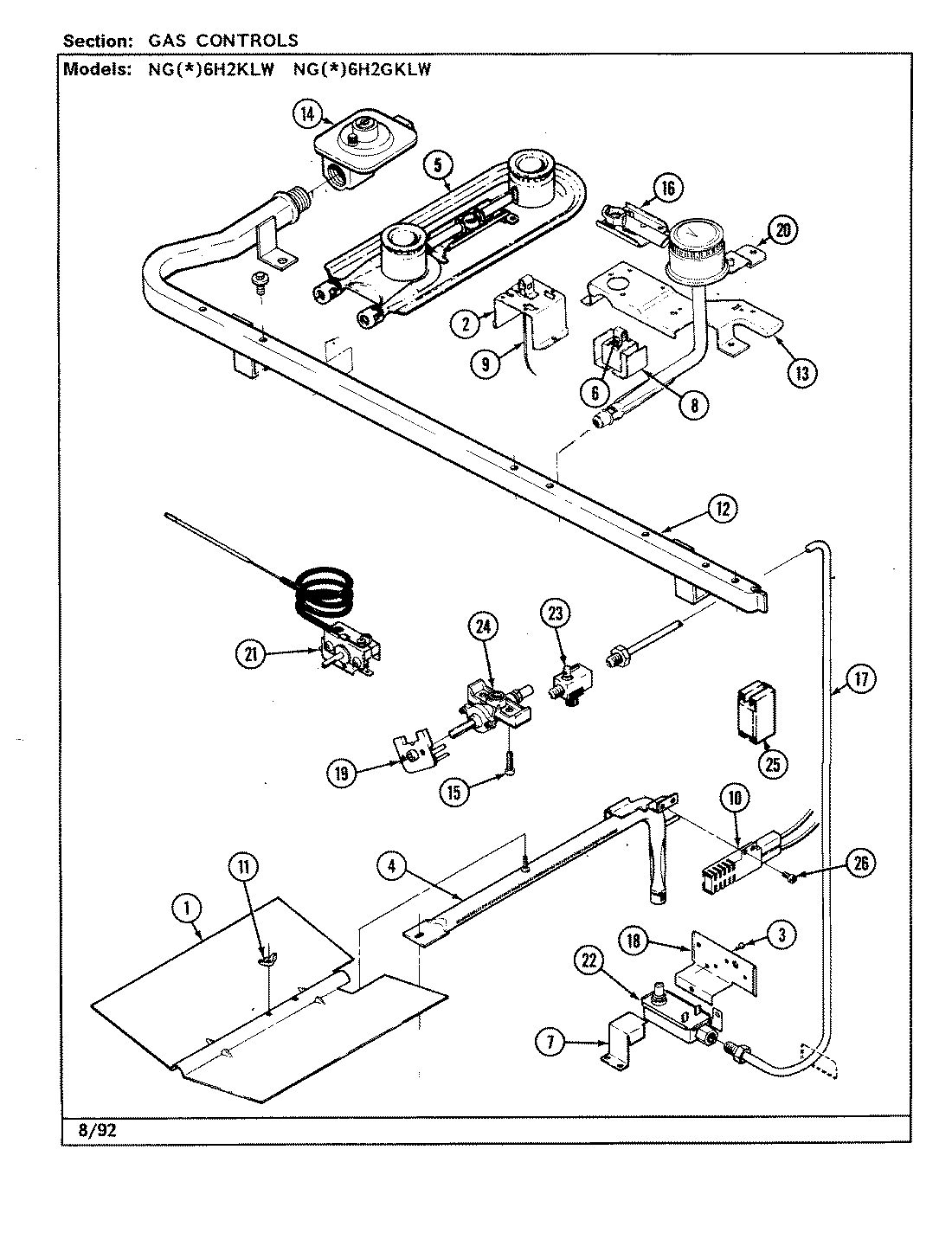
NGA6H2KLW 04 – GAS CONTROLS