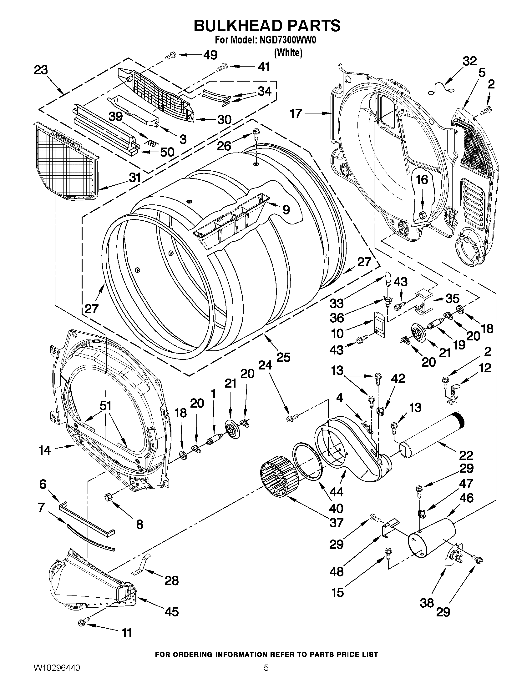
NGD7300WW0 03 – BULKHEAD PARTSadmin2025-04-26T09:03:18+00:00NGD7300WW0 03 – BULKHEAD PARTS
Products
| Position | Product |
|---|
| 1 | MAY 8575324 |
| 2 | SCREW |
| 3 | MAY W10153413 |
| 4 | Fuse, Thermal (91 C) |
| 5 | MAY 3394346 |
| 6 | MAY 697813 |
| 7 | MAY 697814 |
| 8 | NUT, HEX |
| 9 | MAY W10153409 |
| 10 | MAY 3402841 |
| 11 | MAY 359625 |
| 12 | CLIP, EXHAUST |
| 13 | MAY 8533971 |
| 14 | MAY 8565061 |
| 15 | Screw |
| 16 | NUT, HEX (LEFT HAND THREAD) |
| 17 | MAY W10080170 |
| 18 | WASHER |
| 19 | MAY 8575325 |
| 20 | WASHER, TRI RING |
| 21 | MAY 8536973 |
| 22 | MAY 8563728 |
| 23 | Housing, Outlet |
| 24 | Screw |
| 25 | MAY W10153420 |
| 26 | MAY W10219342 |
| 27 | MAY W10166807 |
| 28 | CLIP-SPRING |
| 29 | SCREW,8-18 X 3/8 |
| 30 | MAY W10153412 |
| 31 | MAY W10049370 |
| 32 | WIRE JUMPER |
| 33 | MAY 3406124 |
| 34 | SENSOR, ELECTRODE |
| 35 | MAY 8578825 |
| 36 | MAY W10214261 |
| 37 | MAY 697772 |
| 38 | CUT-OFF, THERMAL |
| 39 | Spring, Lint Screen Door |
| 40 | SEAL, PLATE COVER |
| 41 | Screw, 8-18 x 1/2 |
| 42 | THERMISTOR |
| 43 | MAY 487909 |
| 44 | MAY 8544362 |
| 45 | Lint Duct Assembly |
| 46 | MAY 8573824 |
| 47 | THERMOSTAT, HI LIMIT |
| 48 | MAY 338906 |
| 49 | SCREW |
| 50 | MAY W10153414 |
| 51 | MAY 3387242 |