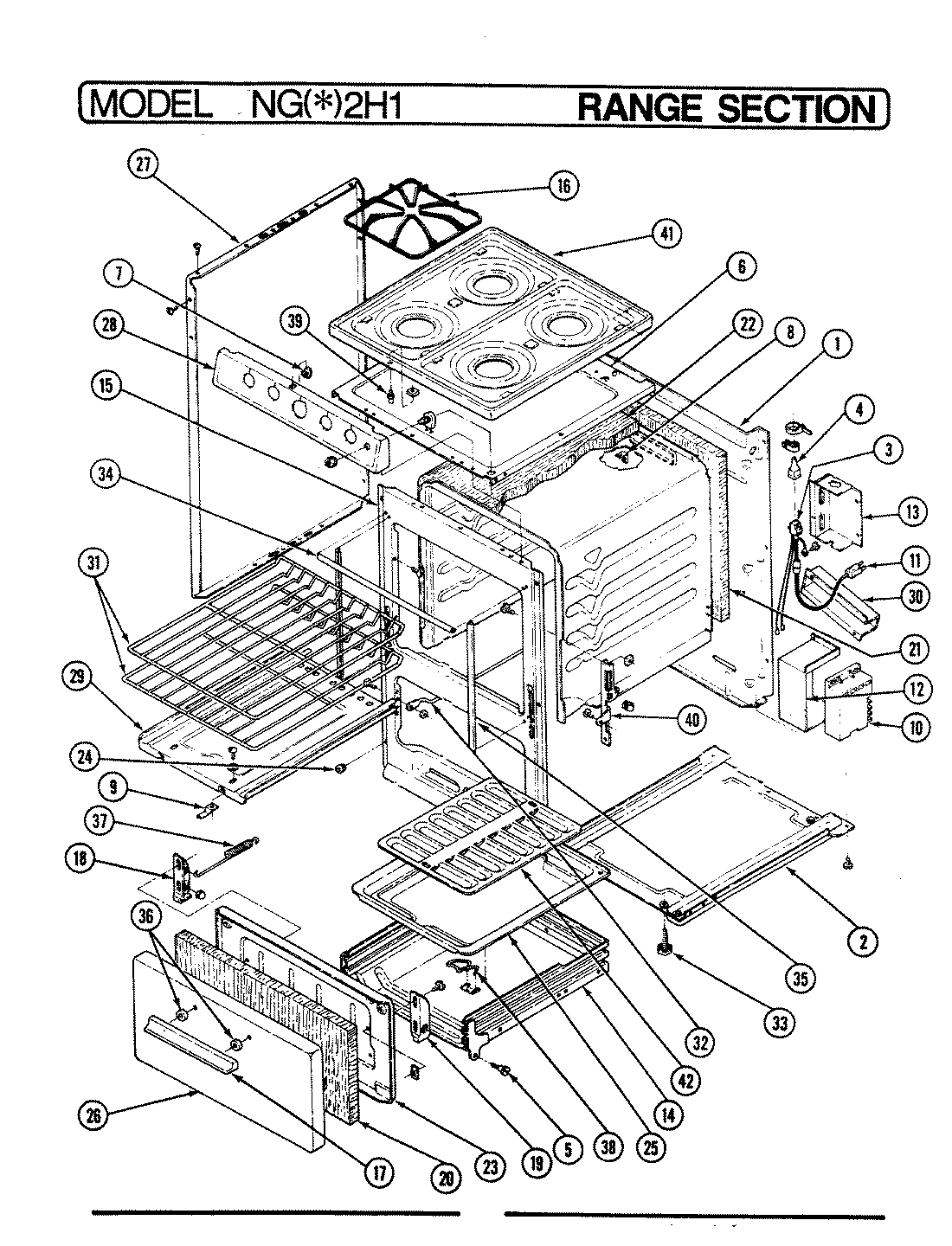
NGW2HK1 01 – BODYadmin2025-04-26T09:03:18+00:00NGW2HK1 01 – BODY ProductsPositionProduct1MAY 1G100087452MAY 1G102025653MAY 0B028005504MAY 0B028006505MAY 0B904907226MAY 1G101038537MAY Y0C040001268MAY Y0C001001999MAY 7G1200029910MAY Y0C0500079911MAY Y0C0300119912MAY 1G5320039913MAY 1G1310224514MAY 1G0630055315MAY 1G0910955316MAY Y0G0030091217MAY Y0H0302911118MAY 5G1110014519MAY 5G1110024520MAY 0I0201012421MAY 0I1003013222MAY 0I0901013223MAY 1G0300335324MAY Y0N1013155025MAY 5G0650025326MAY 1G020019MW27MAY 2618F070-7128MAY 1G022312MW29MAY 1G4750415331MAY Y0R0100161132MAY 1G1230049932MAY 1G1230059933MAY Y0S0150012634MAY Y0S0064349935MAY Y0S0064359936MAY 0S0350099937MAY 0S0010459937MAY Y0S0100019938MAY 0S0200029939MAY Y0S0290012640MAY 7E1270602240MAY 7E1270592241MAY 1G080084MW42MAY 5G0670015342MAY 8110P058-6042MAY 8110P115-60