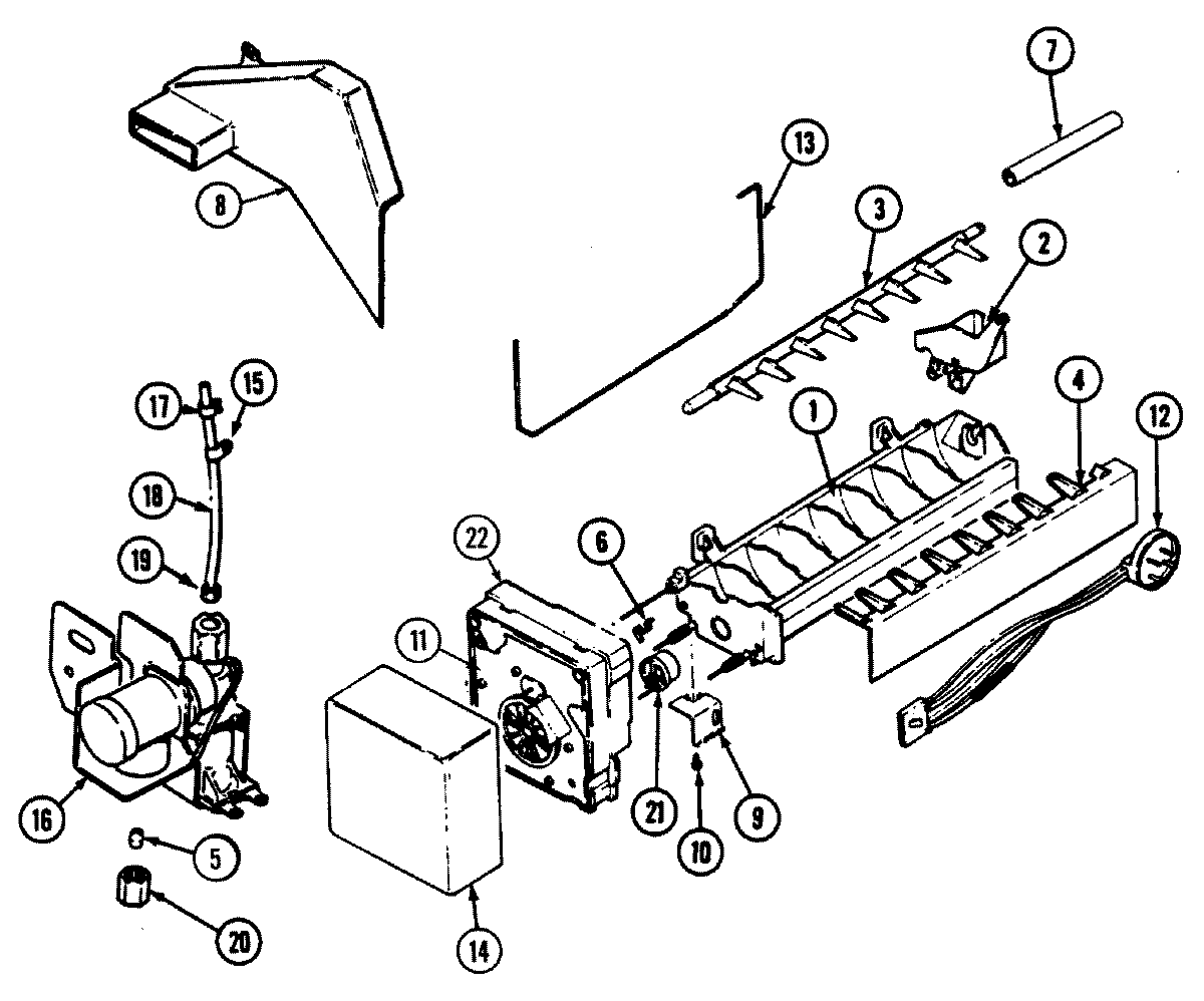
NS207NA 05 – OPTIONAL ICE MAKER KIT (ICE)