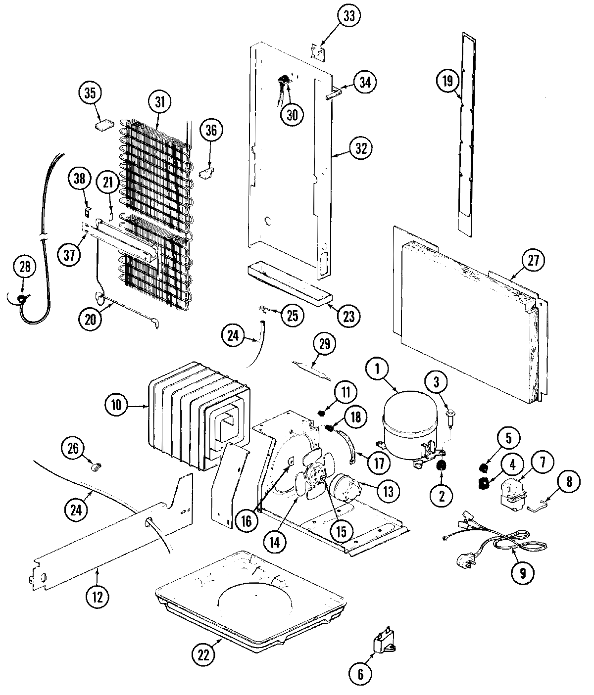
NS207NA 07 – UNIT COMPARTMENT & SYSTEMadmin2025-04-26T11:56:09+00:00NS207NA 07 – UNIT COMPARTMENT & SYSTEM ProductsPositionProduct1MAY 69062-11MAY 120000581MAY 120000062MAY 17245-43MAY 65275-94WP10097202 Whirlpool Refrigerator Start Device4MAY 66588-55MAY 69105-85MAY 69105-36WPW10662129 Whirlpool Refrigerator Run Capacitor6WP65889-4 Whirlpool Refrigerator Capacitor7MAY 66589-27MAY 69754-18MAY 59596-18MAY 65886-19MAY 52890-310MAY 60408-210MAY 64998-110MAY 414001-111MAY 53351-112MAY 70362-113833697 Whirlpool Condenser Fan Motor13MAY 65275-3314WP12587601 Whirlpool Refrigerator Condenser Blade15MAY 69063-116WP486692 Whirlpool Refrigerator Nut17MAY 69181-118MAY 56933-119MAY 70267-119MAY 66381-120MAY 69848-121MAY 52067-123MAY 53523-124MAY 26911-1825WP596669 Whirlpool Hose Clamp26MAY 53516-527MAY 66339-327WP488729 Whirlpool Refrigerator Door Screw28MAY 65013-2528MAY 26088-2228MAY 65013-1628MAY 66223-129MAY 1390030MAY 52085-2931MAY 52551-2132MAY 68834-133MAY 55878-134MAY 66325-1735MAY 65063-136MAY 65064-137MAY 29915-1237WP489478 Whirlpool Refrigerator Screw38MAY 52561-139MAY 108429-3