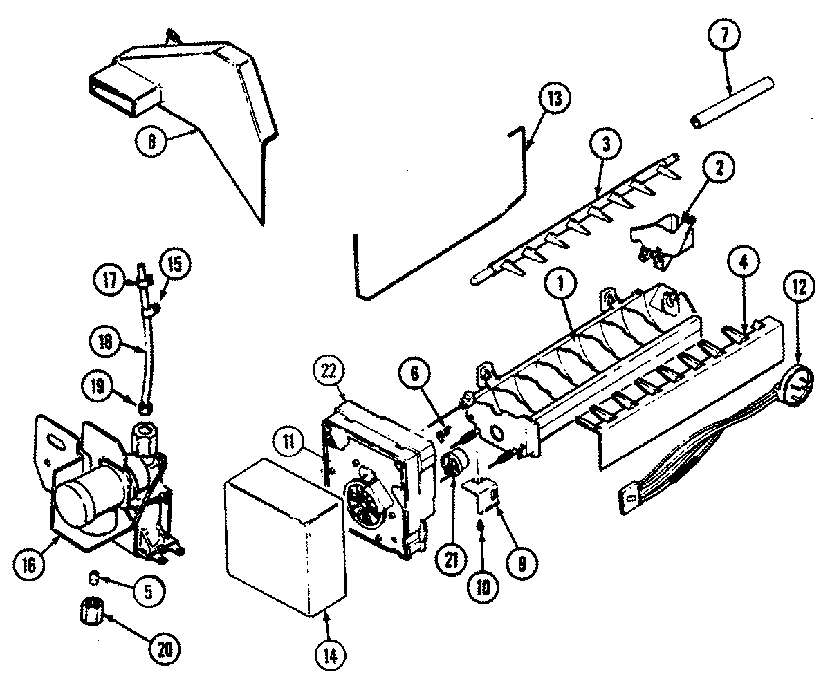
NS208NA 05 – OPTIONAL ICE MAKER KIT (ICE)admin2025-04-26T11:53:32+00:00NS208NA 05 – OPTIONAL ICE MAKER KIT (ICE) ProductsPositionProduct1WP99003172 Whirlpool Silicone L1D7824706Q Whirlpool Refrigerator Ice Maker Assembly2WP628356 Whirlpool Refrigerator Fill Cup3WP627843 Whirlpool Refrigerator Ejector Arm4WP2182124 Whirlpool Refrigerator Stripper Arm5WP487627 Whirlpool Refrigerator Sleeve6WP2315522 Whirlpool Refrigerator Clip7MAY 67666-88MAY 70198-38MAY 70198-29BRACKET, MODULE & HEATER10MAY 95108-111MAY 95109-111MAY 400021-112MAY 70076-113MAY 68112-114MAY 68328-215SCREW15W10833902 Whirlpool Refrigerator Clamp16MAY 69364-116MAY 401017-117WPM0114003 Whirlpool Microwave Speed Clip Clamp18MAY 67579-619WP627018 Whirlpool Refrigerator Nut20WP245183 Whirlpool Nut21MAY 95093-121WP627985 Whirlpool Icemaker Cycling Thermostat22SCREW22WP2195914 Whirlpool Refrigerator Ice Maker Housing