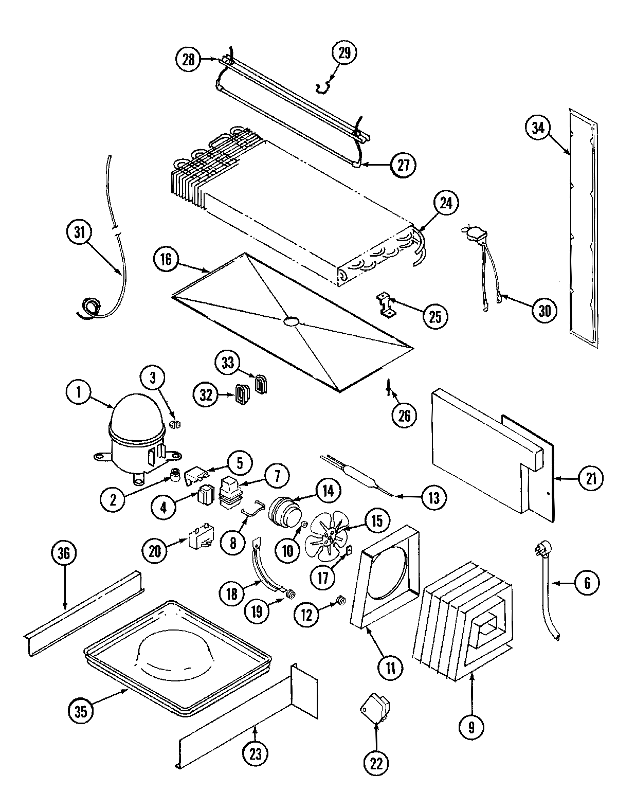
NT173NA 07 – UNIT COMPARTMENT & SYSTEMadmin2025-04-26T11:56:47+00:00NT173NA 07 – UNIT COMPARTMENT & SYSTEM ProductsPositionProduct1MAY RA1032-11MAY RA1011-12MAY 17245-43MAY 62165-13MAY 414011-14WP10097202 Whirlpool Refrigerator Start Device42154436 Whirlpool Refrigerator Start Relay54388953 Whirlpool Overload Relay5MAY 69105-106MAY 52890-27MAY 69754-17MAY 66589-28MAY 65886-18MAY 59596-19MAY 60434-39MAY 60408-210MAY 69063-111MAY 66228-112MAY 53351-113MAY 1390014MAY 408015-114MAY 6100156214MAY 68445-315WP12587601 Whirlpool Refrigerator Condenser Blade16MAY 69118-117MAY 19914-018MAY 69181-119MAY 56933-120WP2262343 Whirlpool Refrigerator/Freezer Capacitor20WP65889-4 Whirlpool Refrigerator Capacitor21MAY 66338-321WP488729 Whirlpool Refrigerator Door Screw22MAY 405007-122MAY 68233-123MAY 66493-124MAY 69822-125MAY 60108-226MAY 26397-927WP60106-34 Whirlpool Refrigerator Heater28MAY 60109-429MAY 68935-130WP52085-28 Whirlpool Thermostat31MAY 66223-131MAY 65013-2631MAY 65398-132MAY 60068-133MAY 6100156033MAY 70162-133MAY 60069-133MAY 60177-434MAY 60110-134MAY 65275-5036WP489478 Whirlpool Refrigerator Screw36MAY 60555-236MAY 60555-139MAY 108340-3