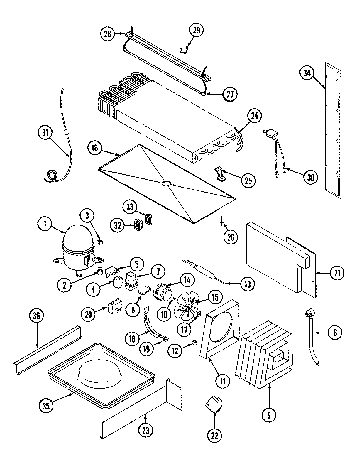
NT173PW 09 – UNIT COMPARTMENT & SYSTEMadmin2025-04-26T11:55:36+00:00NT173PW 09 – UNIT COMPARTMENT & SYSTEM ProductsPositionProduct1MAY RA1011-12MAY 17245-43MAY 62165-142154436 Whirlpool Refrigerator Start Relay5MAY 69105-106MAY 52890-37MAY 66589-28MAY 65886-19MAY 60408-29MAY 414001-19MAY 60434-310MAY 6100168611MAY 6100120512MAY 53351-113WPW10143759 Whirlpool Dryer Filter14MAY 65275-3314MAY 6100156215WP12587601 Whirlpool Refrigerator Condenser Blade16MAY 6100166617WP486692 Whirlpool Refrigerator Nut18MAY 69181-119MAY 56933-120WP2262343 Whirlpool Refrigerator/Freezer Capacitor21MAY 66338-321MAY 65275-522MAY 68233-122MAY 405007-123MAY 66493-124MAY 69822-125MAY 60108-226MAY 26397-927WP60106-34 Whirlpool Refrigerator Heater28MAY 60109-429MAY 68935-130WP52085-28 Whirlpool Thermostat31MAY 6100104231MAY 65013-2632MAY 60068-133MAY 60069-134MAY 6100113634MAY 60177-434MAY 65275-5034MAY 6100156036WP489478 Whirlpool Refrigerator Screw36MAY 60555-236MAY 60555-137MAY 6100172038MAY 16002081