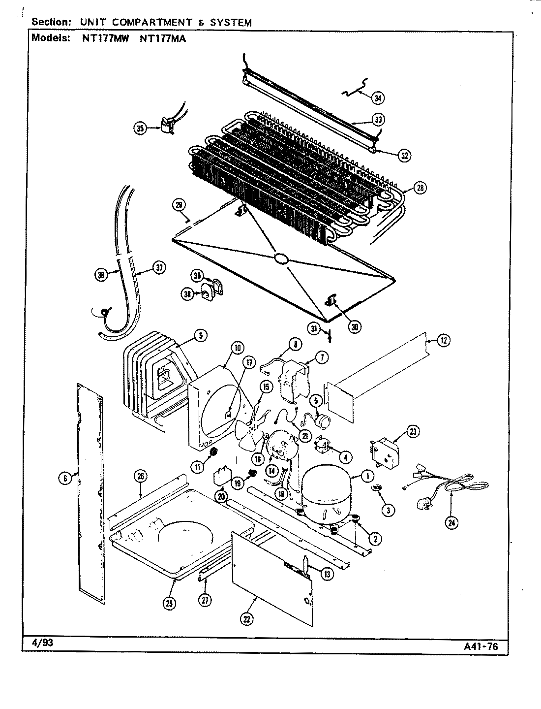
NT177MW 04 – UNIT COMPARTMENT & SYSTEMadmin2025-04-26T11:39:44+00:00NT177MW 04 – UNIT COMPARTMENT & SYSTEM ProductsPositionProduct1MAY RA10112MAY 17245-43MAY 62165-142154436 Whirlpool Refrigerator Start Relay5MAY 69105-106MAY 60110-17MAY 66589-28MAY 65886-19MAY RA43871-19MAY 60408-110MAY 66228-111MAY 414001-111MAY 53351-112MAY 66493-113MAY 1390014MAY 65275-3314MAY 68445-315WP12587601 Whirlpool Refrigerator Condenser Blade16MAY 19913-417MAY 19914-118MAY 66255-119MAY 56933-120WPW10662129 Whirlpool Refrigerator Run Capacitor21MAY 29675-322MAY 66338-122WP488729 Whirlpool Refrigerator Door Screw23MAY 405007-123MAY 69543-224MAY 52890-226MAY 60555-127MAY 60555-227WP489478 Whirlpool Refrigerator Screw28MAY 69822-129MAY 60101-730MAY 60108-131MAY 26397-932WP60106-34 Whirlpool Refrigerator Heater33MAY 60109-434MAY 60263-135WP52085-28 Whirlpool Thermostat36MAY 65013-437MAY 65398-137MAY 66223-138MAY 60068-139MAY 60069-139MAY 60177-239MAY 70162-139MAY 108340-1