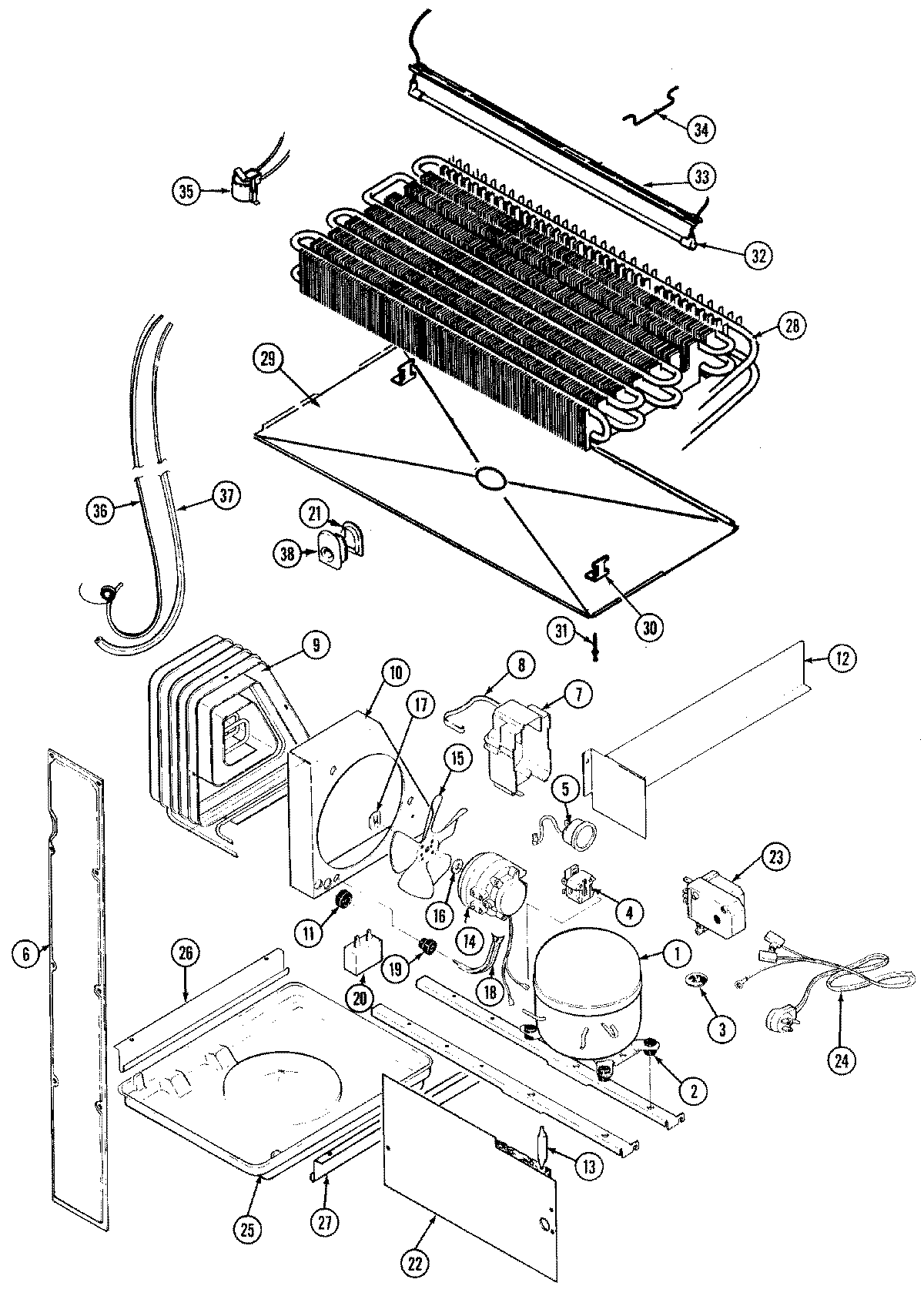
NT177NA 07 – UNIT COMPARTMENT & SYSTEMadmin2025-04-26T11:41:25+00:00NT177NA 07 – UNIT COMPARTMENT & SYSTEM ProductsPositionProduct1MAY RA1032-11MAY RA1011-12MAY 17245-43MAY 414011-13MAY 62165-142154436 Whirlpool Refrigerator Start Relay4WP10097202 Whirlpool Refrigerator Start Device5MAY 6100297354388953 Whirlpool Overload Relay5MAY 69105-106MAY 60110-26MAY 65275-507MAY 66589-27MAY 610020207MAY 69754-18MAY 65886-18MAY 610026208MAY 59596-19MAY 60434-39MAY 60408-210MAY 66228-111MAY 53351-112MAY 66493-112MAY 414001-113MAY 1390014MAY 65275-3314MAY 68445-314MAY 6100156215WP12587601 Whirlpool Refrigerator Condenser Blade16MAY 69063-117WP486692 Whirlpool Refrigerator Nut18MAY 69181-119MAY 56933-120WP65889-4 Whirlpool Refrigerator Capacitor20WP2262343 Whirlpool Refrigerator/Freezer Capacitor21MAY 60177-421MAY 70162-121MAY 6100156021MAY 60069-122MAY 66338-322WP488729 Whirlpool Refrigerator Door Screw23MAY 68233-123MAY 405007-124MAY 52890-226MAY 60555-127WP489478 Whirlpool Refrigerator Screw27MAY 60555-228MAY 69822-129MAY 69118-130MAY 60108-231MAY 26397-932WP60106-34 Whirlpool Refrigerator Heater33MAY 60109-434MAY 68825-135WP52085-28 Whirlpool Thermostat36MAY 65013-436MAY 65013-2637MAY 66223-137MAY 65398-138MAY 60068-139MAY 108340-3