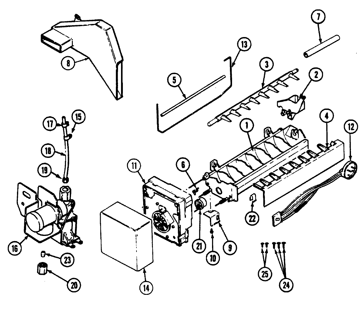
NT177NW 05 – OPTIONAL ICE MAKER