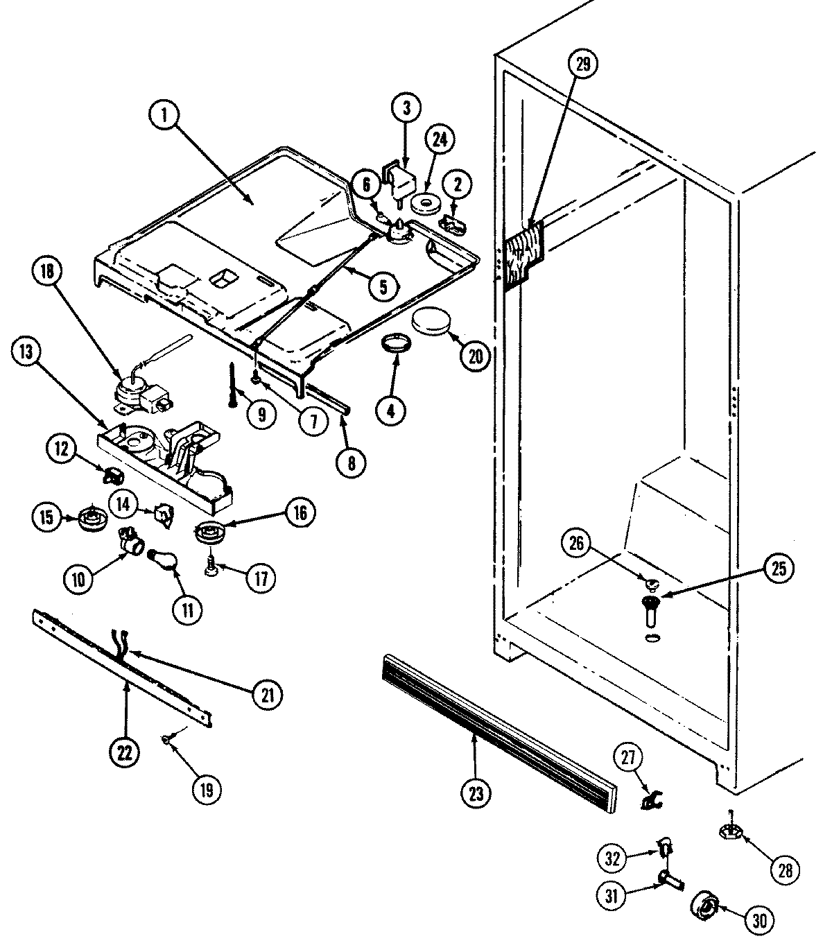
NT218NFA 03 – FRESH FOOD COMPARTMENTadmin2025-04-26T09:05:27+00:00NT218NFA 03 – FRESH FOOD COMPARTMENT ProductsPositionProduct1MAY 69410-12MAY 69623-13MAY 69811-65MAY 69418-46MAY 67493-17MAY 65275-137MAY 420005-18MAY 69413-29MAY 65275-7810MAY 68974-311MAY 69752-111MAY 68123-112MAY 69283-113MAY 405016-3513MAY 70420-514W11384469 Whirlpool Door Switch15MAY 69417-916MAY 69417-1017MAY 65275-8318MAY 406013-118MAY 68601-719MAY 65275-5420MAY 69037-121MAY 69617-121MAY 70117-222MAY 69420-2-WW23MAY 70128-424MAY 68989-125MAY 54531-726MAY 65039-127MAY 69940-128W11117769 Whirlpool Refrigerator Leveler29MAY 69416-229MAY 69416-130MAY 69812-131MAY 64965-13271003131 Whirlpool Oven Screw32MAY 67530-132MAY 60216-1