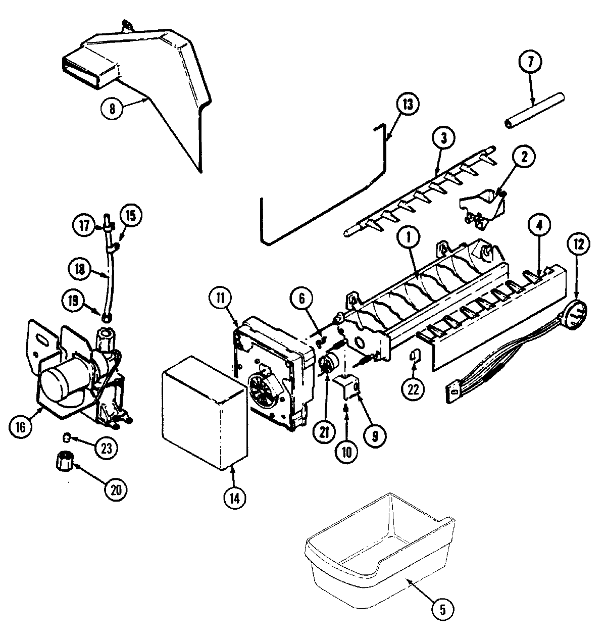
NT218NFW 03 – OPTIONAL ICE MAKER KIT (ICE)