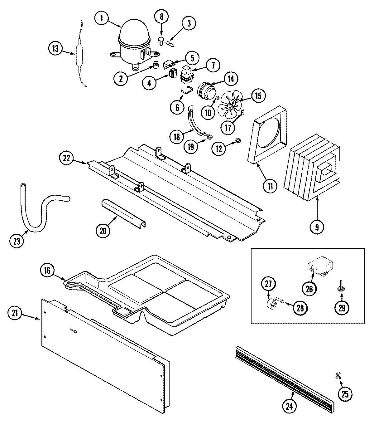
NTB1914ARA 01 – COMPRESSORadmin2025-04-26T09:06:05+00:00NTB1914ARA 01 – COMPRESSOR ProductsPositionProduct1MAY 120013741MAY 610020122MAY 17245-43MAY 52778-24WP10097204 Whirlpool Start Relay5WP2183456 Whirlpool Refrigerator Overload6MAY 65886-17MAY 66589-28MAY 52656-29WP489399 Whirlpool Refrigerator Screw9MAY 6100195710MAY 6100168611MAY 6100194112MAY 6100203313WPW10143759 Whirlpool Dryer Filter14MAY 6100101614MAY 65275-3315WP12587601 Whirlpool Refrigerator Condenser Blade16MAY 6100195517WP486692 Whirlpool Refrigerator Nut18MAY 69181-119MAY 56933-120MAY 6100197421MAY 6100227521MAY 65275-4921MAY 65275-522MAY 6100232722WP67006715 Whirlpool Refrigerator Screw23MAY 6100221424MAY 6100242825MAY 6100197526MAY 6100206626SCREW27MAY 6100210328WP61002104 Whirlpool Refrigerator Pin Wheel29MAY 6100201430MAY 6100198131MAY 1600824832MAY 16002081