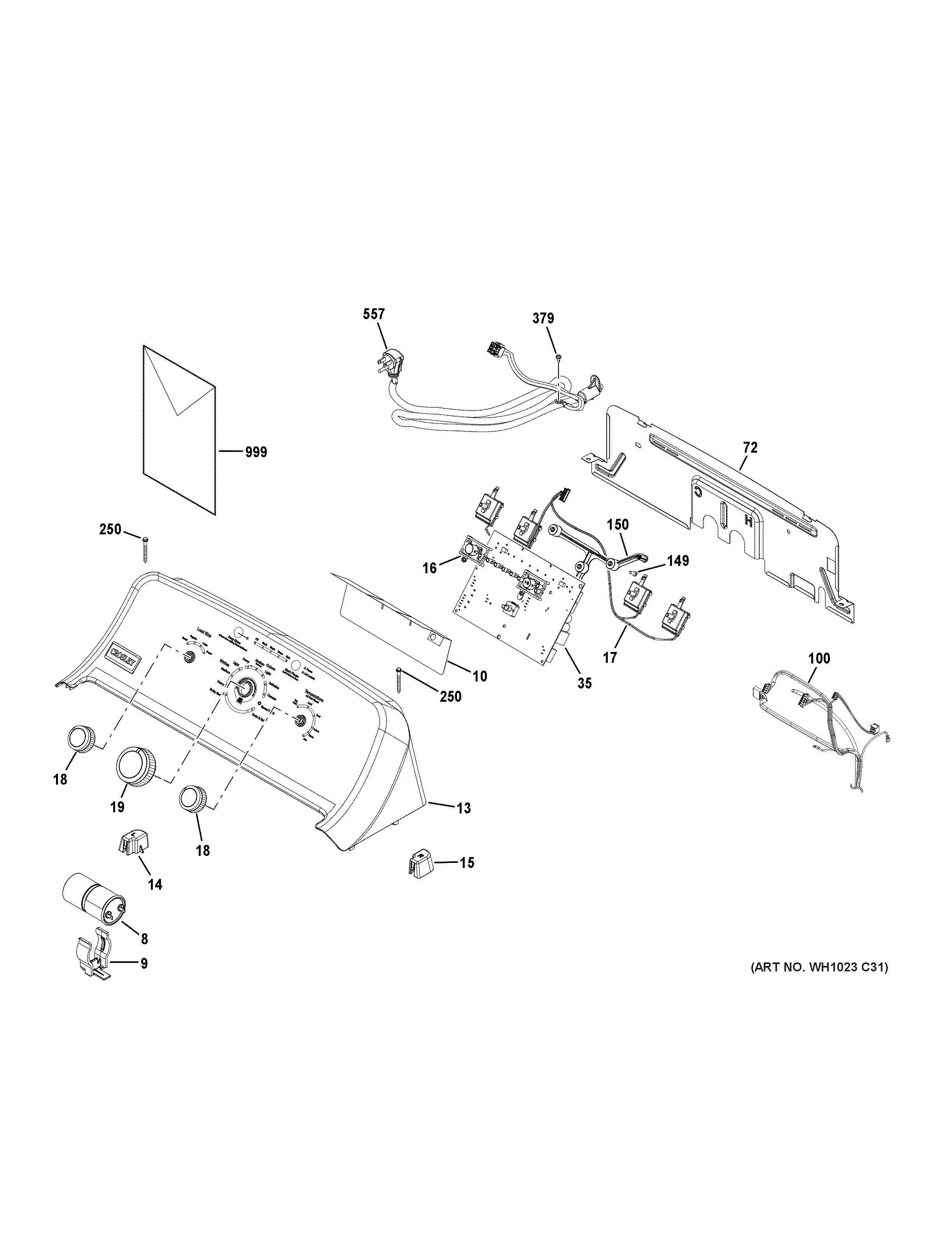
NTW4011SW0WW CONTROLS & BACKSPLASHadmin2025-04-26T12:29:18+00:00NTW4011SW0WW CONTROLS & BACKSPLASH ProductsPositionProduct8WH12X27614 GE Capacitor Bracket Kit10WH01X24396 GE Control Board Shield13CONTROL PANEL TL WASHER CONSERVATOR14WH16X24476 GE Washer Right Backsplash Support15WH16X24477 GE Left Backsplash Support16WH01X24376 GE Washer Button17SELECTOR SWITCH18KNOB ROTARY (HOTPOINT)19WH01X25355 GE Main Knob35WH22X38438 GE Triac Hardware and Switch Assembly72WH10X28195 GE Rear Control Panel100WH19X27495 GE Main Green Harness149WR01X10196 GE Refrigerator Screw 8-18 HID02150WH16X24375 GE Bracket Printed Circuit Board250WR01X10634 GE Refrigerator Screw 8-18 AB 13/4 S HXW379WE02X10107 GE Screw 10-32 GX HXW 7/16 S557WH08X28843 GE Power Cord999PM MINI MANUAL AND WIRING999PM QUICK OWNERS MANUAL