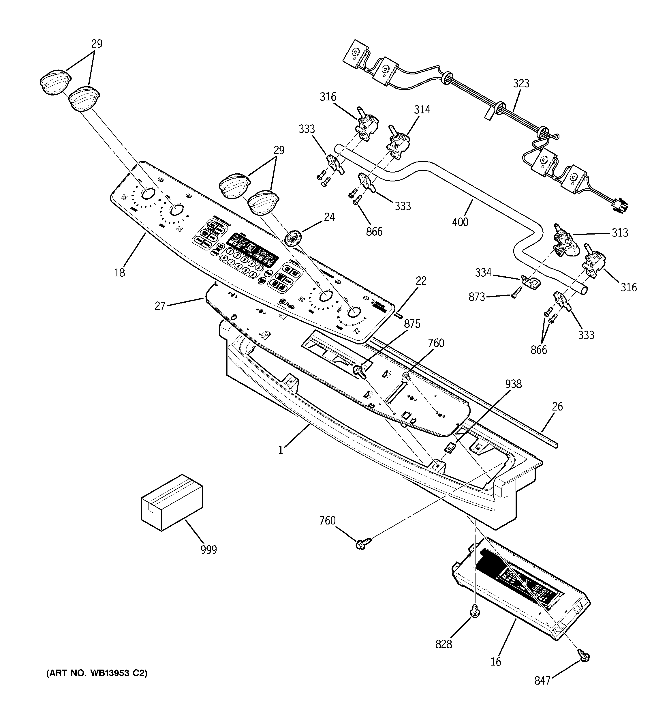
P2S975CEM3CC CONTROL PANEL