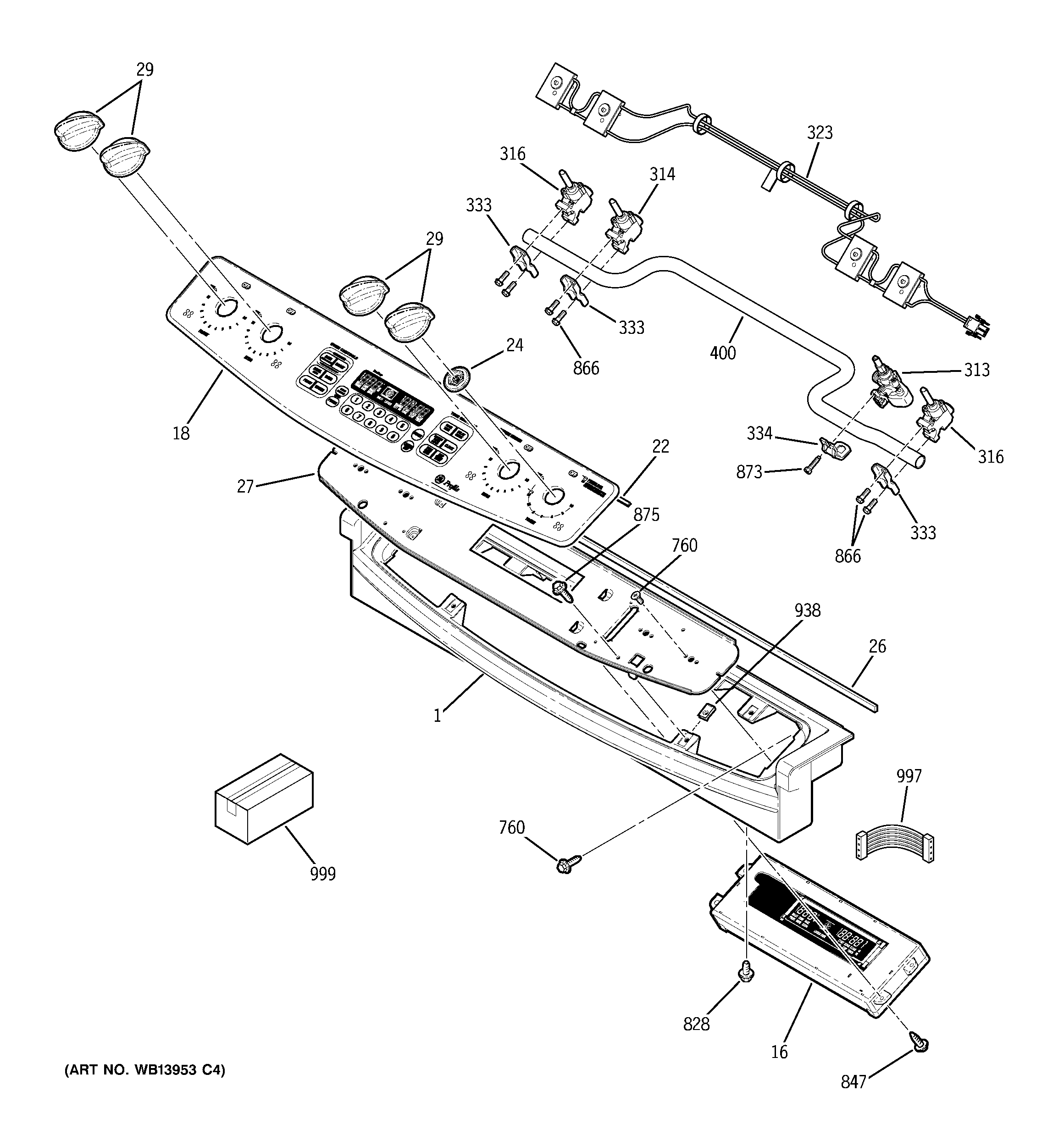
P2S975DEP1BB CONTROL PANEL