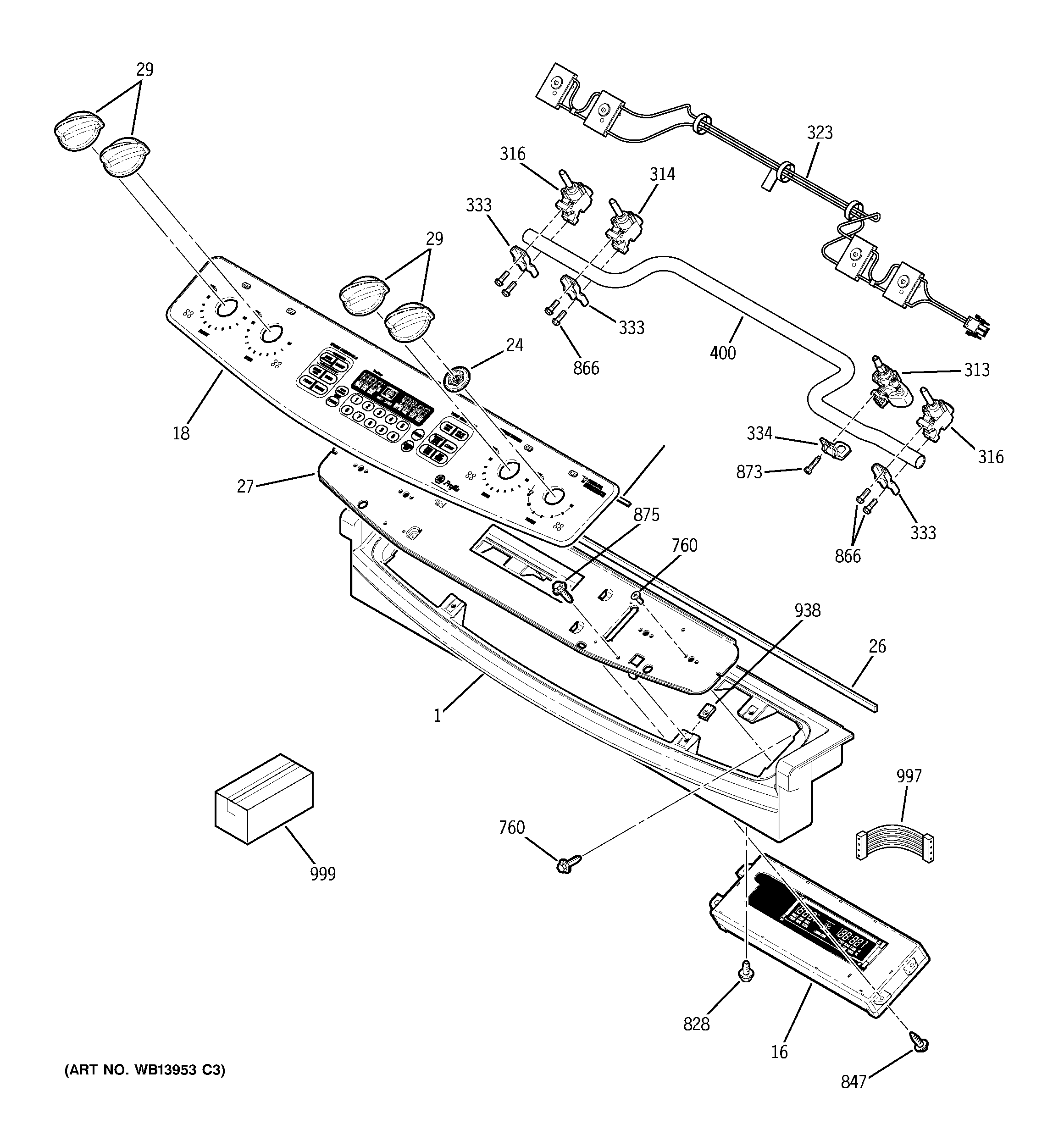
P2S975SEP1SS CONTROL PANELadmin2025-04-26T11:43:29+00:00P2S975SEP1SS CONTROL PANEL ProductsPositionProduct1GEN WB36T1100916GEN WB27T1115218GEN WB27T1121024RETAINER GLASS (BLK)26WB02X10742 GE Oven Control Panel Gasket27INSERT PNL CNTL29GEN WB03T10262313GEN WB19T10070314VALVE GAS LT FRT316VALVE GAS LR323WB18T10389 GE Oven Switch Harness333WB6X93 GE Oven Clamp334WB02T10261 GE Clamp400GEN WB28T10201760WB1X536 GE Oven Screw828WB1X1141 GE Oven Screw 8-32847WB1X1118 GE Oven Screw 6-32T866GEN WB01X1428873WB01T10091 GE Screw875WH2X930 GE Screw938WB1K5209 GE Oven Clip997GEN WB18T10439997WB18T10386 GE Oven Touch Glass Wire Harness999GEN WB02T10489999GEN 31-10643999KIT, CONVERSION (BUTANE)999GEN 31-14515999GEN 49-80526999GEN 31-10716