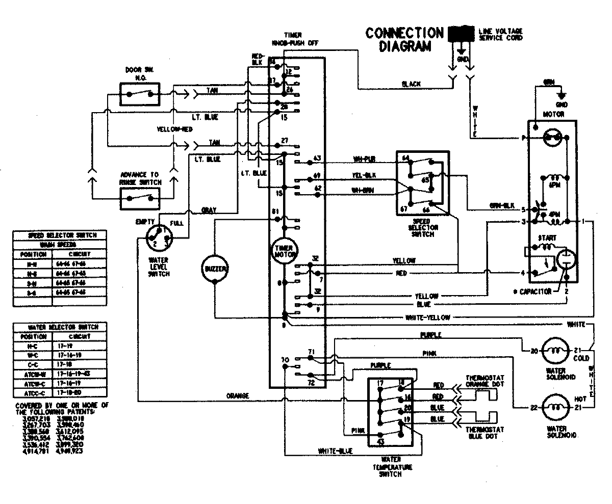
PAV4960AWW 11 – WIRING INFORMATIONadmin2025-04-26T09:37:20+00:00PAV4960AWW 11 – WIRING INFORMATION ProductsPositionProductNIMAY 15002974