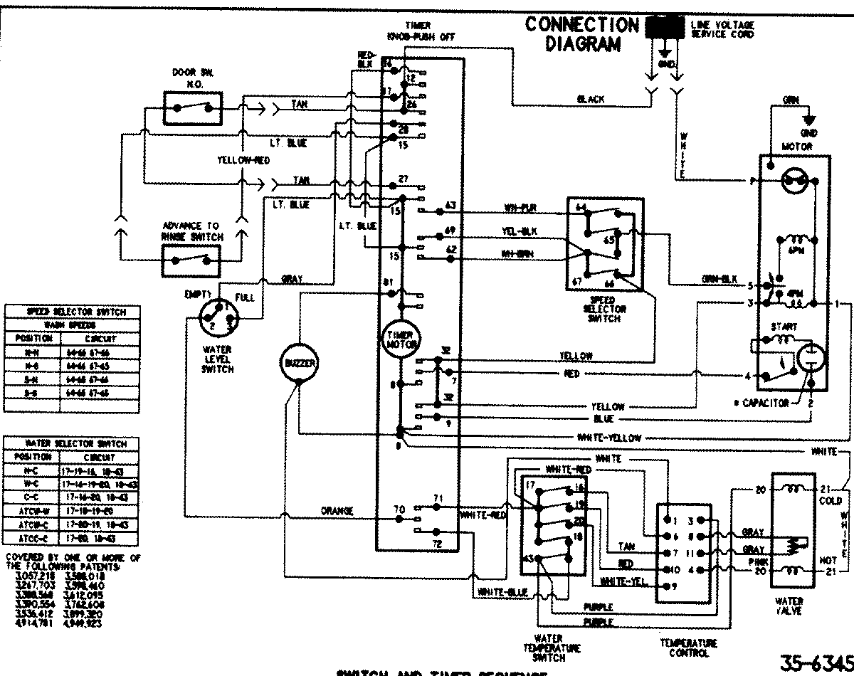
PAV5000AWQ 11 – WIRING INFORMATIONadmin2025-04-26T09:39:29+00:00PAV5000AWQ 11 – WIRING INFORMATION ProductsPositionProductNIMAY 15002898