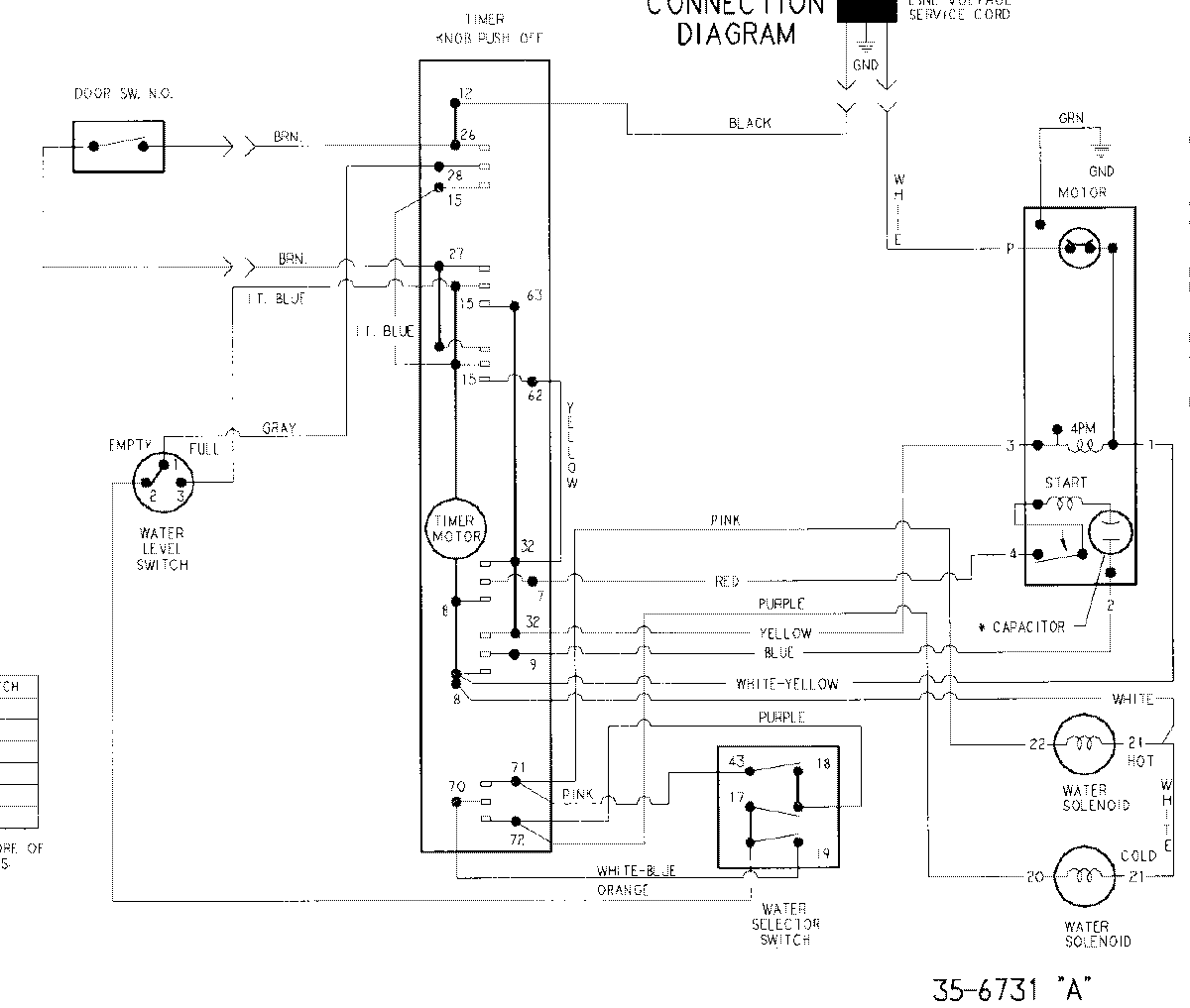
PAVT144AWW 09 – WIRING INFORMATIONadmin2025-04-26T09:38:59+00:00PAVT144AWW 09 – WIRING INFORMATION ProductsPositionProductNIMAY 15003213