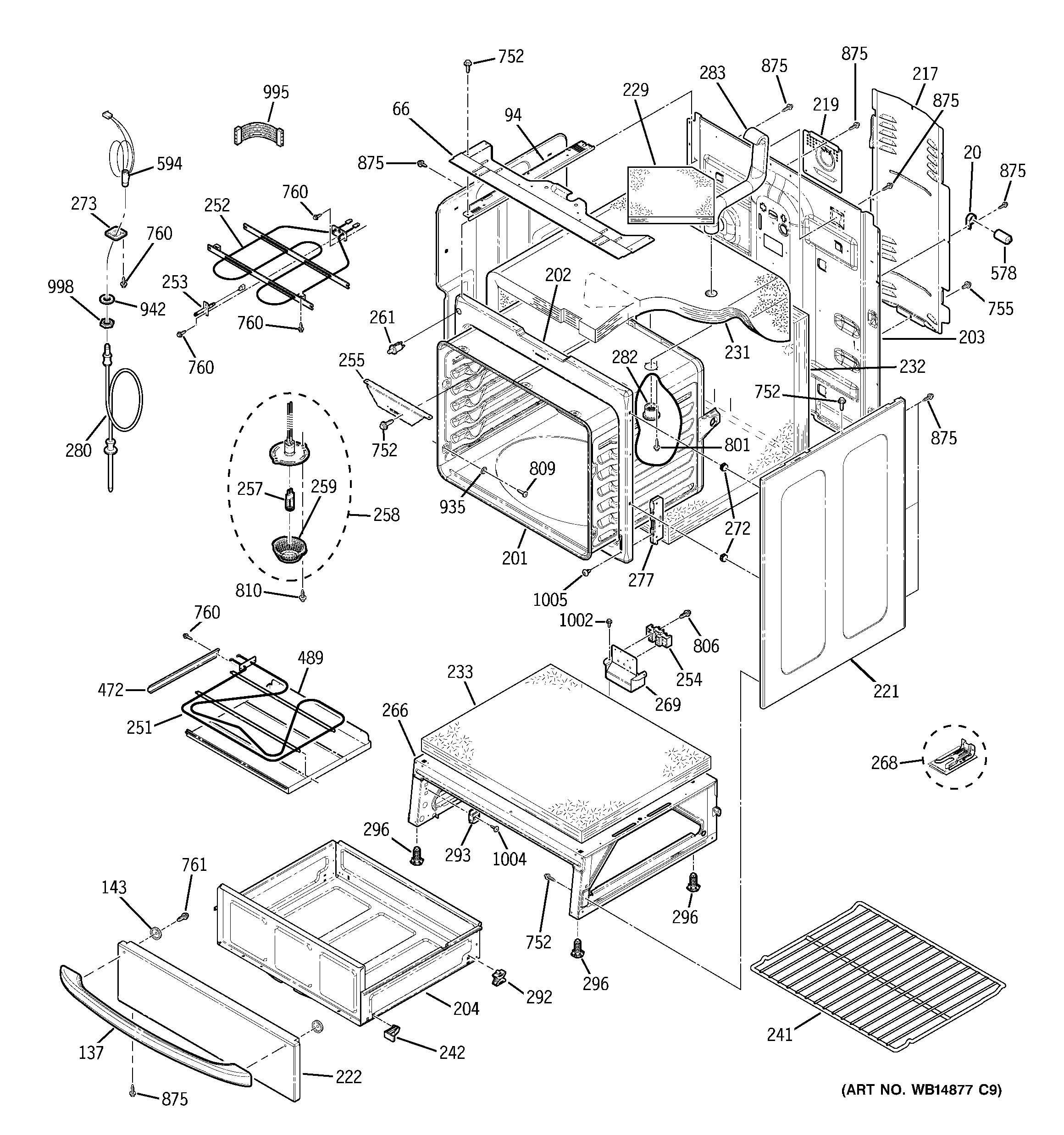
| 20 | WB02T10194 GE Capacitor Bracket |
| 66 | ENCLOSURE RANGETOP |
| 94 | WB02T10463 GE Oven Radiant Chassis Brace |
| 94 | WB34X26004 GE Range Radiant LT Chassis BR |
| 137 | GEN WB15T10138 |
| 137 | GEN WB15T10137 |
| 137 | WB15T10136 GE Oven Drawer Handle |
| 143 | SPACER DR HANDLE |
| 201 | GEN WB63T10150 |
| 202 | GEN WB63T10096 |
| 203 | GEN WB63T10147 |
| 204 | WB55T10178 GE Oven Mechanical Drawer Body Assembly |
| 217 | WB34T10128 GE Oven Back Cover |
| 219 | COVER RECEPTACLE |
| 221 | WB56X28884 GE Oven White Side Panel |
| 221 | WB63T10121 GE Side Panel (Bq) |
| 221 | WB56X28881 GE Oven Side Panel Black |
| 222 | GEN WB56T10175 |
| 222 | GEN WB56T10174 |
| 222 | GEN WB56T10173 |
| 229 | WB35T10017 GE Oven Vent Tube Insulation |
| 231 | WB35T10211 GE Oven Insulation |
| 232 | GEN WB35T10023 |
| 233 | GEN WB35T10022 |
| 241 | WB48T10082 GE Oven Rack |
| 242 | WB48T10068 GE Oven Wedge Drawer |
| 251 | WB44X45499 GE Oven Bake Element |
| 252 | WB44T10094 GE Oven Broil Element |
| 253 | WB21X22134 GE Oven Sensor Assembly |
| 254 | WB17T10011 GE Oven Terminal Block |
| 255 | GEN WB07T10517 |
| 257 | WB08T10023 GE Oven Halogen Lamp 35W 130V |
| 258 | GEN WB25T10075 |
| 259 | OV LAMP LENS LWR |
| 261 | WB24T10147 GE Oven SPDT Light Switch |
| 266 | WB63X28540 GE Base Assembly Rivet |
| 268 | WB02T10415 GE Oven Anti-Tip Bracket Assembly |
| 269 | WB17T10021 GE Oven Mount Terminal Block |
| 272 | WB02T10034 GE Oven Body Side Support |
| 273 | GEN WB02X8309 |
| 277 | WB10T10068 GE Oven Hinge Receiver |
| 280 | WB20T10024 GE Oven Thermistor Probe |
| 282 | WB38X33648 GE Vent Tube |
| 283 | WB28T10217 GE Radiant Vent Tube |
| 292 | WB02X33180 GE Oven Drawer Glide |
| 293 | WB48T10013 GE Oven Drawer Support |
| 296 | WB02X10521 GE Oven Leveling Leg |
| 472 | WB49T10007 GE Side Reflector |
| 489 | WB02T10509 GE Bake Element Reflector Pan |
| 578 | WB27T10662 GE Oven Capacitor |
| 594 | GEN WB08T10040 |
| 752 | WB1K5200 GE Oven Screw 340531 |
| 755 | WD2X433 GE Dishwasher Trim Screw |
| 755 | WD2X432 GE Dishwasher Screw |
| 760 | WB1X536 GE Oven Screw |
| 761 | WB1K5157 GE Oven Black Screw |
| 801 | WB1M1 GE Oven Screw |
| 806 | WB01T10103 GE Oven Screw 10-16 AB HXW .532 |
| 809 | WB1X1137 GE Oven Screw |
| 810 | WB01T10072 GE Screw 8-32 1HW .312 Nickel |
| 875 | WH2X930 GE Screw |
| 935 | WB01T10112 GE Washer Aluminum |
| 942 | WB1X5573 GE Oven Washer |
| 995 | WB18T10470 GE Oven Lead Wire 14 GA Green |
| 995 | GEN WB18T10471 |
| 998 | WB1X5572 GE Oven Nut |
| 1002 | WB01T10017 GE Oven 8-18 AB Screw IHW 3/8 S NS |
| 1004 | GEN WH02X0941 |
| 1005 | WB01T10008 GE Oven Screw 10-32 |