| 1 | GEN WB36T11226 |
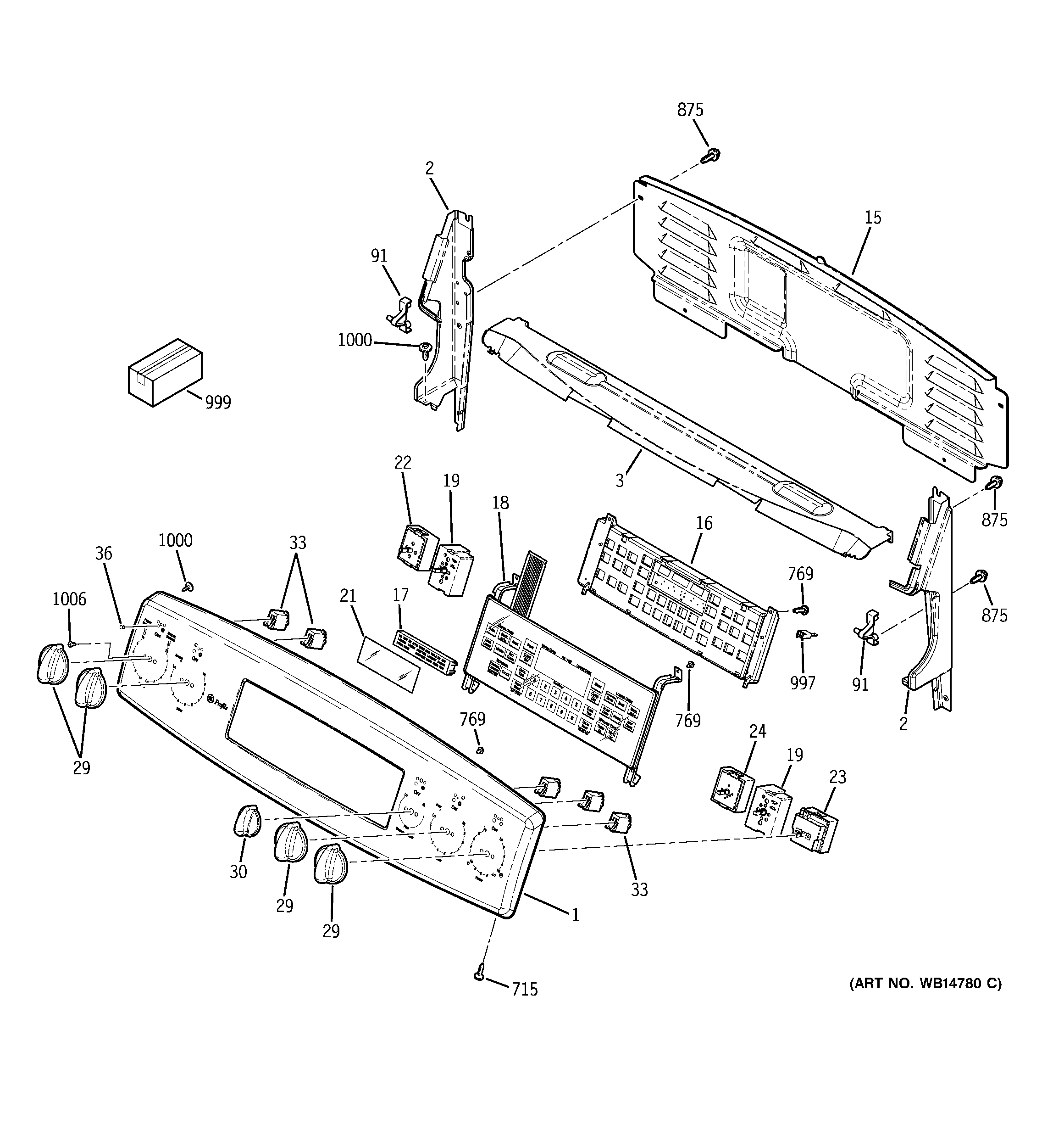
| 2 | WB36T11204 GE Oven Right End Plate |
| 2 | WB07X27823 GE End Plate LT (Black) |
| 3 | WB02X28994 GE Heat Shield |
| 15 | GEN WB02T10499 |
| 16 | CONTROL UI ASM |
| 17 | WB27T11115 GE Oven Guide and Overlay Assembly |
| 18 | WB27T11146 GE Oven Touch Control Panel |
| 19 | WB24T10146 GE Oven Surface Element Control |
| 21 | WB27T11116 GE Clock Display Filter |
| 22 | WB24T10153 GE Oven Infinite Switch Control |
| 23 | WB24T10162 GE Oven Infinite Control Switch |
| 24 | INFINITE CONTROL SWITCH |
| 29 | WB03T10266 GE Oven Knob |
| 30 | GEN WB03T10257 |
| 33 | GEN WB25T10088 |
| 33 | GEN WB25T10090 |
| 36 | LENS |
| 91 | GEN WB10T10125 |
| 91 | WB10T10116 GE Range Top Hinge Pin |
| 715 | WD2X432 GE Dishwasher Screw |
| 769 | WB1X500D GE Oven Screw Package |
| 875 | WH2X930 GE Screw |
| 875 | WZ4X245D GE Screw Package |
| 997 | GEN WD21X10232 |
| 999 | GEN 31-14845 |
| 999 | INSTR INSTALL OVN DOOR |
| 999 | GEN 49-80602 |
| 999 | GEN 31-10677 |
| 999 | PM10X310 GE Cerama Bryte Cooktop Cleaner |
| 1000 | WB01T10016 GE Oven Screw 8-18 AB Hex |
| 1006 | WB01X23501 GE Oven Screw 8-32 Tapping Flat Head |