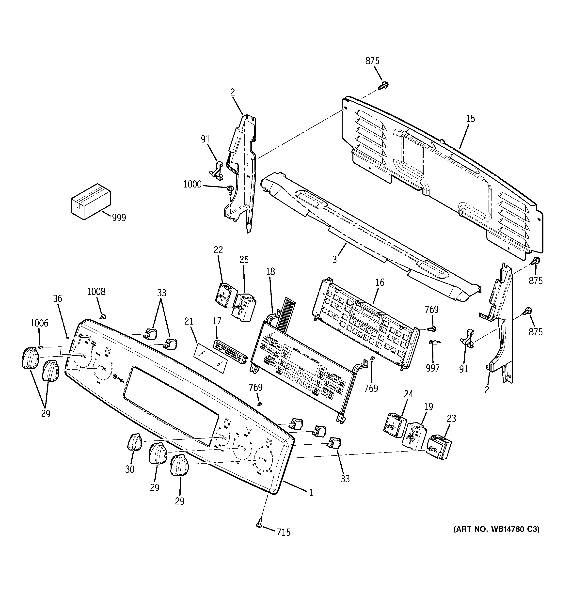
PB975SP5SS CONTROL PANEL