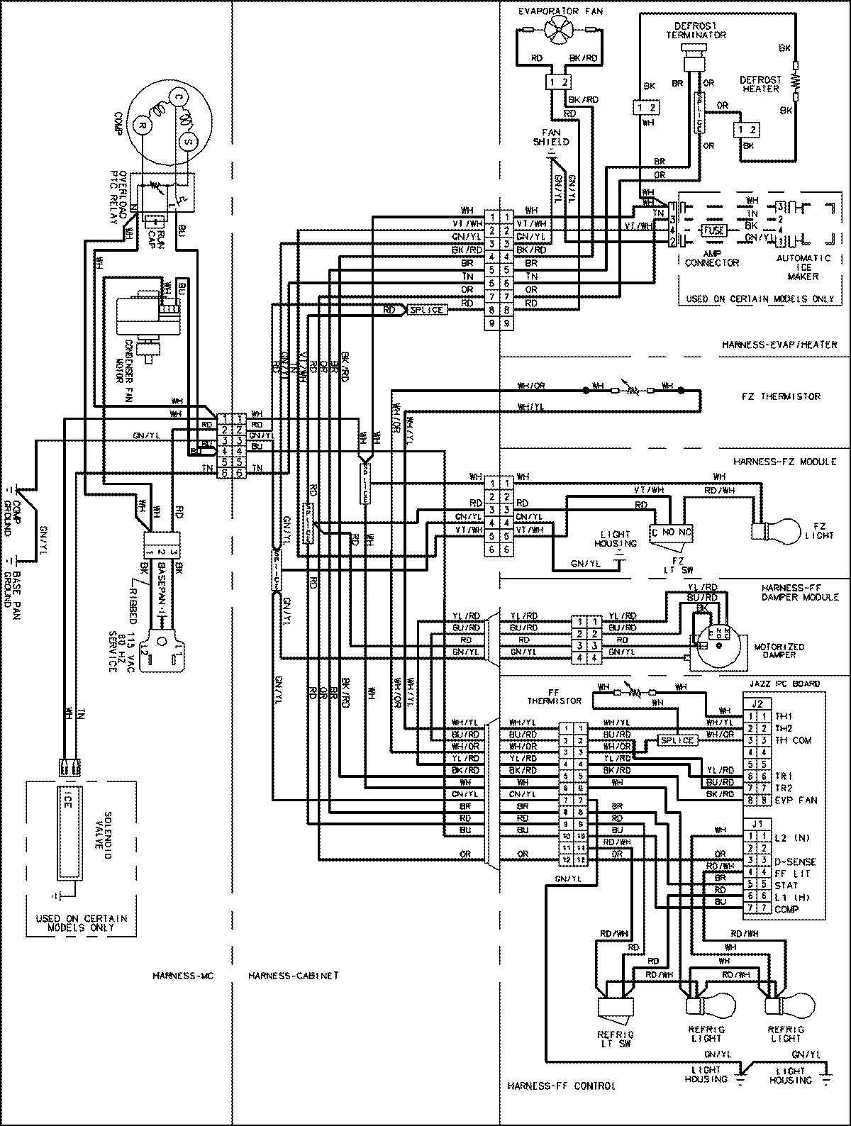
PBF2255HEB 12 – WIRING INFORMATION (SERIES 10)admin2025-04-26T09:39:24+00:00PBF2255HEB 12 – WIRING INFORMATION (SERIES 10) ProductsPositionProductNIMAY 15003510